[返回列表.]    [免费下载畅易手机版APP ]

用户 18831499 **当前提问:发动机电路图电脑版控制电路图 要PDF

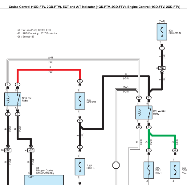
发动机电路图电脑版控制电路图 要PDF

.尊敬的用户,欢迎你使用在线客服,你的问题客服人员已为你处理完毕,请下载附件,如有疑问,欢迎和我们联系!2023年丰田海拉克斯发动机电路图.

附件:71222737491165.rar


用户 18831499 ***其他客服问题:
test:
  发动机整备中文版的有没有.. 丰田汽车Land Cruiser Prado [普拉多]3.0TDI 手自一体 柴油 五门版2003-1KZ-TE(3.0)[JTEBY25J10** ]
  1GD发动机维修资料,我这边有台2GD的,咱们资.. 丰田丰田2016-1GD[MR0DB6CD6G** ]
  需要变速箱维修资料解体维修的.. 丰田汽车Land Cruiser [兰德酷路泽]4.5T 自动 V82015-1VD-FTV(4.5)[JTMHV01J2K** ]
  2GD的发动机维修手册资料,变速箱分动箱维修.. 丰田海拉克斯2023-暂无[暂无** ]
  左后线束电路图 要文件.. 广汽丰田赛那2.5 无级 豪华福祉版2024-A25D(2.5)[LVGDD4A41R** ]
  喷油嘴是6根线的发动机电路图.. 丰田12023-2GD[MR0DB9CD4P** ]
以下是丰田相关车型的客服问题,希望对您有帮助
 04年佳美发动机电脑板电路图+接口图..丰田佳美 2004 2AZ-FE-2.4L [JTDBE30K80**]
 空调电路图..丰田红杉 10
 17年陆地巡洋舰四驱故障码维修手册P17DF..丰田陆地巡洋舰 17年 4.0L
 波箱电脑的插头针脚定义..丰田LANDCRUISER PRADO 03年 3RZ-FE [JTEBM29J03**]
 霸道后空调线路图..丰田4700 14 v6
 发动机电脑电路图..丰田凯美瑞 2012 1AZ
 2018凯美瑞发动机电脑端子图..丰田凯美瑞 2018 6AR [LVGBM74KXJ**]
 帮我查一下05年陆巡lc100排量4.7OBD接口针脚..丰田LC100 05年 2UZ [JTEHT05J30**]
 帮我查查这个车中门控制马达电路图..丰田柯斯特 2020 9GR [LFMEA5819L**]
 空调控制电路..丰田普拉多 2007 2TRFE16 [JTEBL29J37**]
 识别码盒(停机系统代码ECU)安装位置及拆装..丰田塞纳 2022 A25D [LVGDD4A41N**]
 丰田2UZ发动机维修资料..丰田陆地巡洋舰 09年 2UZ

Copyright @ 2009 www.car388.com All rights reserved. 蜀ICP备12014226号-2 增值电信增值业务许可证:川B2-20190647 服务电话:028-87038205 87039205 87020205 川公网安备 51010502010015号 公司地址:成都市龙泉驿区经开区南二路309号 鼎峰动力港 企业办公总部基地 12栋
2025-04-04.-.V25