[返回列表.]    [免费下载畅易手机版APP ]

用户 13670424 **当前提问:麻烦找一下BCM,防盗的针脚图和电路

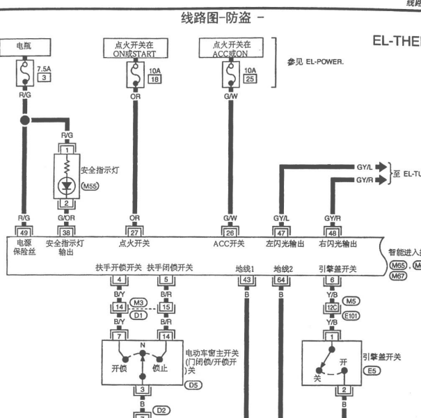
麻烦找一下BCM,防盗的针脚图和电路图

.尊敬的用户,欢迎你使用在线客服,你的问题客服人员已为你处理完毕,请下载附件,如有疑问,欢迎和我们联系!.2007年日产帕拉丁车身和防盗系统电路图

附件:35542752743911.rar


用户 13670424 ***其他客服问题:
  帮忙找下整车故障码解析.. 鑫源T50EV2021-1[LA9DKC3X6N** ]
  帮忙打印一下整个发动机的维修手册.. 大众途欢2013-CLJ[WVGEF35N4D** ]
  电脑板的针脚34+22+16+28 100针的.. 丰田11-2JZ[1** ]
  麻烦发一下大灯电路图还有BDC模块位置电路图.. 宝马X52018-N20B20A[WBAKT0106J** ]
  麻烦找一下TZ180XYA1203这个电机的维修手册,内.. 广汽埃安S2022-TZ180XYA1203[LNAACAA23N** ]
以下是日产相关车型的客服问题,希望对您有帮助
 骐达发动机维修手册..日产骐达 2008 HR16 [LGBG22E098**]
 10年日产颐达空调AC继电器位置..日产颐达 2010 HR16 [LGBG12E04A**]
 全车打铁点..日产轩逸 2014年4月 HR16 [LGBH52E02E**]
 车身模块位置与 大灯控制线路图..日产英菲尼迪 2008 VQ35 [JNRAS08W28**]
 请找一下机盖锁电路图 3线的 ..日产逍客 2021 MR20DD [LGBL4AE04M**]
 尼桑西马..日产西马 2004 KH3 [JN1BBAF50Z**]
 外界环境温度传感器位置图..日产天籁 19 1 [1**]
 发动机电路图..日产天籁 2005 QR20
 变速箱电路图..日产朗逸 2009 1 [LGBH12E039**]
 尼桑贵士空调不工作..日产贵士 2016 vq35 [vljalpze52**]
 18款日产途达全车电路..日产途达 2018 QR25 2.5L
 仪表端子和油箱浮子的参考值..日产贵士 2004 VQ35DE [5N1BV28UX7**]

Copyright @ 2009 www.car388.com All rights reserved. 蜀ICP备12014226号-2 增值电信增值业务许可证:川B2-20190647 服务电话:028-87038205 87039205 87020205 川公网安备 51010502010015号 公司地址:成都市龙泉驿区经开区南二路309号 鼎峰动力港 企业办公总部基地 12栋
2025-05-20.-.V28**VHTML-2025-V18-11-5---2-