[返回列表.]    [免费下载畅易手机版APP ]

用户 13307859 **当前提问:燃油表不准,需要仪表的5个插头(ABCD

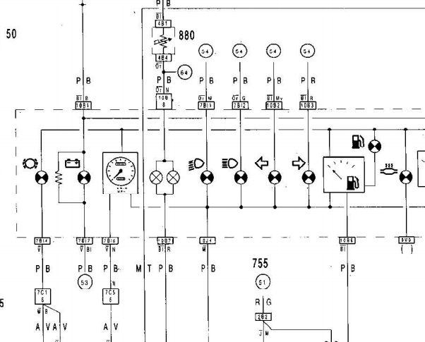
燃油表不准,需要仪表的5个插头(ABCDE)电路图或针脚图

.尊敬的用户,欢迎你使用在线客服,专职客服已微信与您取得联系并详细说明,抱歉该车07年左右没有5个插头的仪表资料,并处理了您需要的该车1996-2000年仪表电路图参考,你的问题客服人员已为你处理完毕,请下载附件,如有疑问,欢迎和我们联系!1996-2000年雪铁龙富康仪表电路图.

附件:22252754917899.zip


用户 13307859 ***其他客服问题:
  遮阳板线路图。.. 欧尚科赛2018-JL476ZQCF[LS4ASE2E8J** ]
  空调泵线路图.. 北汽威旺2016-4A91T[LNBMCUAK7H** ]
  CAN扩补图网络电路图.. 哈佛H82016-GW4C20[LGWEF6A7XG** ]
  电脑版针脚号.. 日产逍客2020-MR20DD[LGBL4AE07L** ]
  电脑版针脚图.. 马自达mazida62004-L3[LFPH5ABC94** ]
  电脑版针角图.. 雪弗兰赛欧2014-LCU[LSGSA52M3** ]
以下是雪铁龙相关车型的客服问题,希望对您有帮助
 雪铁龙C4L,15-16,线路图,动力总成,电子喷..雪铁龙C4L 15 1.6
 05年雪铁龙爱丽舍通讯图..雪铁龙爱丽舍 05年 5 [8**]
 雪铁龙C5右侧电动后视镜线路图,资料库的不..雪铁龙C5 2014 11 [LDCA13247E**]
 爱丽舍15年款机械部分的维修资料..雪铁龙爱丽舍 2015年 TU5JP4
 转速表电路图..雪铁龙爱丽舍 09
 发动机线路图..雪铁龙C5 2007 EW10A [VF7RCRFJF7**]
 四轮定位数据..雪铁龙C4L 2013年 PSA [LDCC23Y27D**]
 麻烦您帮忙找一下!雪铁龙毕加索的油泵控制..雪铁龙毕加索雪铁龙毕加索 2004 EW10J4 [LDC828W324**]
 碳罐电磁阀位置和线路图..雪铁龙C3-XR 1.6 10UF01 5G02 [LDC661249F**]
 空调电路图..雪铁龙爱丽舍 2010
 后备箱尾门开关线路图..雪铁龙世嘉 2009 N6A [LDCC41L369**]
 雪铁龙爱丽舍的空调电路图..雪铁龙爱丽舍 07年 16V [LDC713L227**]

Copyright @ 2009 www.car388.com All rights reserved. 蜀ICP备12014226号-2 增值电信增值业务许可证:川B2-20190647 服务电话:028-87038205 87039205 87020205 川公网安备 51010502010015号 公司地址:成都市龙泉驿区经开区南二路309号 鼎峰动力港 企业办公总部基地 12栋
2025-05-20.-.V28**VHTML-2025-V18-11-5---2-