[返回列表.]    [免费下载畅易手机版APP ]

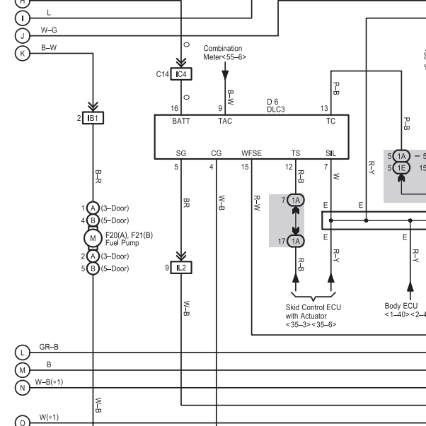
用户 90635446 **当前提问:汽油燃油泵电路图.继电器位置图

汽油燃油泵电路图.继电器位置图

.尊敬的用户,欢迎你使用在线客服,你的问题客服人员已为你处理完毕,请下载附件,如有疑问,欢迎和我们联系!.2005年丰田普拉多燃油泵电路图

附件:67002756252797.rar


用户 90635446 ***其他客服问题:
  16年 迈锐宝 关于启停 关闭的条件 和说明.. 雪佛兰迈锐宝16-2.0[1** ]
  保时捷卡宴 ABS全部完整电路图.. 保时捷卡宴2006-3.2[wp1zzz9pz6** ]
  一汽丰田酷路泽大灯清洗电路图.. 一汽12016-1[1** ]
  麻烦提取一份ABS线路图.. 一汽丰田酷路泽2015 01-1GR[LFMGJK74XF** ]
   请帮我找一下,空调泵电路图.. 111-1[LVVDG17B0J** ]
  DTC索引.. 路虎新揽胜2017-无
以下是丰田相关车型的客服问题,希望对您有帮助
 驻车开关 挂挡锁止 电路图..丰田酷路泽 12 5.7 [JTMHY05J1C**]
 丰田红杉更换正时..丰田红杉 2007 FGRDFGYH
 安全气囊系统电路..丰田卡罗拉 2017 8ZR-FXE [LFMA180C4H**]
 23年格瑞维亚室外保险丝盒电路图..丰田格瑞维亚 23 A25H [LFMKC4BS5P**]
 11年锐志,IMMOBILIZER系统电路图 ..丰田锐志 11 5GR
 您好13年的丰田锐志发动机故障代码P1604含义..丰田锐志 13 3rz
 汽油泵控制电路图..丰田塞纳 15 FRT [5TDKK3DCXE**]
 2010年丰田海狮全车线路图..丰田海狮 2010 2TR-FE [JTFSX23P7A**]
 一键启动无法正常启动 常按才能启动 一键..丰田亚洲龙 2019 m20a [lfmam54k3k**]
 17本田crv 1.5T 发动机线路图..17本田crv 1.5T 发动机线路图17本田crv 1.5T 发动机线路图 17crv 1.5T 发动机线路图 17crv 1.5T 发动机线路图 [17crv 1.5T**]
 左侧大辆位置没有..丰田凯美瑞 2017 6AR [LVGBM51K2H**]
 丰田功放86280-53110针脚定义..丰田uz aa aa [aa**]

Copyright @ 2009 www.car388.com All rights reserved. 蜀ICP备12014226号-2 增值电信增值业务许可证:川B2-20190647 服务电话:028-87038205 87039205 87020205 川公网安备 51010502010015号 公司地址:成都市龙泉驿区经开区南二路309号 鼎峰动力港 企业办公总部基地 12栋
2025-05-20.-.V28**VHTML-2025-V18-11-5---2-