[返回列表.]    [免费下载畅易手机版APP ]

用户 13824159 **当前提问:汽油泵继电器

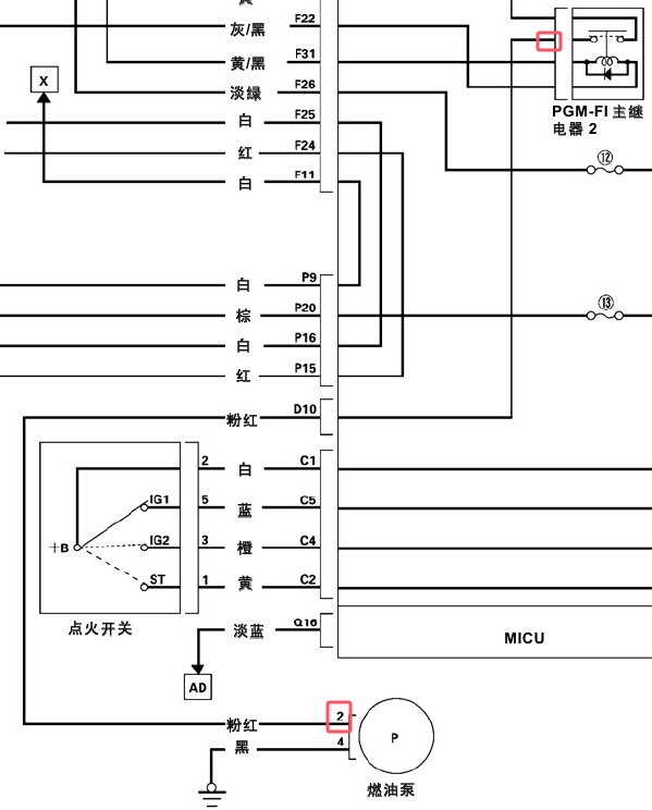
汽油泵继电器

.尊敬的用户,欢迎你使用在线客服,客服通过电话微信和QQ都没有联系到您,非常抱歉没有2012年左右的时韵资料,客服给您查找了2008-2010年本田思铂睿同款发动机的油泵继电器电路图作为参考,如需要请直接登陆畅易汽修平台查询!查询方法:国内厂家 ->东风本田-思铂睿(Spirior)-2008-2010[ 线路图 ] ->08 R20A4发动机控制电路2008-2010年本田思铂睿R20A4发动机油泵继电器电路图.


用户 13824159 ***其他客服问题:
  庆铃4JB1CT发动机电路图.. 庆铃皮卡2014-4JB1CT[LWLTFA2D8E** ]
  宝骏730发动机故障码p208062.. 宝骏宝骏7302017-11-LJ0[LZWADAGA1K** ]
  宝马X5故障码002DC0怎样维修.. 宝马X52013-N55[WBAZV4107D** ]
  发动机故障码P15EA14.. 一汽丰田皇冠2018-8AR[LFMB0ABB1J** ]
  前氧传感器电路图.. 奔驰E2002009-271 860[wDDHF4JB7A** ]
  混合动力控制系统故障码P0A4C,P0A4D电路图,.. 雷克萨斯Rx450h11-2GR[JTJBC11A7B** ]
以下是本田相关车型的客服问题,希望对您有帮助
 防盗线路图和维修手册..本田歌诗图 2013 K24Y3
 10年奥德赛电路图有没有 玻璃升降,天窗..本田奥德赛 2010 00
 发动机电脑针脚定义有没有,还有ABS电脑的针..本田雅阁 2010 K24Z2 [LHGCP2648A**]
 奥德赛电动窗电路图..本田奥德赛 06 汽油
 气温控制单元位置图..本田杰德 2013 1.8 [LVHFR1813E**]
 摇控系统电路图..本田飞度 2007 1.5
 门锁电路..本田雅阁 2005 不知 [不知**]
 八代雅阁中控门锁电路图和玻璃中控开关针脚..本田八代雅阁 09年 etet [gdgd**]
 ABS电路图..本田CRV 2007 K24Z1 [LVHRE48709**]
 仪表电路图..本田思域 2008 1.8L [LVHFA16488**]
 本田里程继电器图解..本田本田里程 2004 c35A2 [JHMKA96204**]
 12款本田CRV发动机正时对法及大小瓦 气缸螺..本田CRV 2012年 2.0L

Copyright @ 2009 www.car388.com All rights reserved. 蜀ICP备12014226号-2 增值电信增值业务许可证:川B2-20190647 服务电话:028-87038205 87039205 87020205 川公网安备 51010502010015号 公司地址:成都市龙泉驿区经开区南二路309号 鼎峰动力港 企业办公总部基地 12栋
2025-05-20.-.V28**VHTML-2025-V18-11-5---2-