[返回列表.]    [免费下载畅易手机版APP ]

用户 xufuguo8 **当前提问:发动机线路平台上查到的没对上

发动机线路平台上查到的没对上

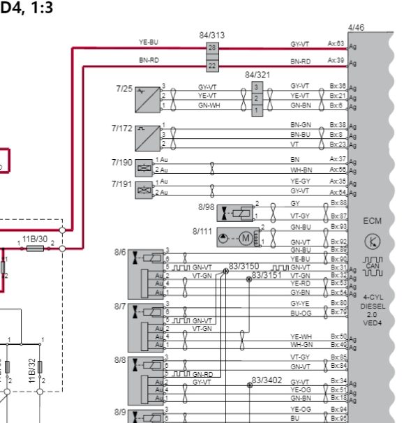
.尊敬的用户,欢迎你使用在线客服,客服重新给您查找了2017年的V40同款B4154T4(1.5)发动机电路图,你的问题客服人员已为你处理完毕,请下载附件,如有疑问,欢迎和我们联系!.2017年沃尔沃V40 B4154T4 1.5发动机电路图

附件:18512760536653.rar


用户 xufuguo8 ***其他客服问题:
  要发动机线路图.. 本田飞度10-1[JHMGE6880A** ]
  全车电路图.. 克莱斯勒Caliber [酷搏]2.0 无级 SXT舒适版2011-A(2.0)[1B3CB4HAXB** ]
  这个发动机电脑端子图.. 上汽大通T602.8T 手动 四驱高底盘舒适型大双排2017-SC28R150Q5(2.8)[LSFAM11A2H** ]
  发动机电脑板端子图.. 东风本田思铂睿2.4 手自一体 尊贵导航型2009-K24Z5(2.4)[LVHCU2660A** ]
  发动机原理图和线路都发下.. 神龙汽车C3-XR1.6 手自一体 智能型2015-NFP(1.6)[LDC661T31G** ]
  发动机电脑端子图.. 上海汽车MG3 Xross1.5 序列变速 精英版2013-15S4U(1.5)[LSJZ14E61D** ]
以下是沃尔沃汽车相关车型的客服问题,希望对您有帮助
 麻烦帮忙找下看看有没有维修手册..沃尔沃汽车S602.0T 双离合 T5 智雅版 2012 B4204T7(2.0) [YV1FS4752C**]
 手杀模电脑在那..沃尔沃汽车XC603.0T 手自一体 T6智尚版 2014 B6304T4(3.0) [YV1DZ90H7E**]
 麻烦找一下发动机的维修手册。谢谢..沃尔沃汽车S602.0T 双离合 T5 智雅版 2012 B4204T7(2.0) [YV1FS4752C**]
 大灯前照灯到中央电子模块电路..沃尔沃汽车XC90 48V2.0T 自动 B6 智雅运动版 7座 2021 B420T(2.0) [YV1LF06E5M**]
 保险丝解释 保险丝电路图..沃尔沃汽车XC90 PHEV2.0T 自动 T8 智尊豪华版 7座 2022 B4204T34(2.0) [YV1LFBME7L**]
 液压自动尾门维修手册,..沃尔沃汽车XC603.0T 手自一体 T6 AWD智雅版 2010 B6304T2(3.0) [YV1DZ9954A**]
 给我找个 沃尔沃 C30 的发动机电脑电路图..沃尔沃汽车有限公司根特工厂制造沃尔沃 C30 2008 b5244s4 [YV1MK38598**]
 起动机电路图,起动机保险丝位置,继电器位..沃尔沃汽车XC902.0T 手自一体 T6 智逸版 7座 2017 B4204T27(2.0) [YV1LFA2D3H**]
 接地点位置图,保险丝盒供电电路图..沃尔沃汽车XC603.0T 手自一体 T6 AWD 个性运动版 2014 B6304T4(3.0) [YV1DZ90H7E**]
 沃尔沃V40节温器到发动机电脑的线路图..沃尔沃汽车有限公司根特工厂制造V40 T3 MV29201 2016-08 B4154T4 [YV1MV2929H**]
 涡轮增压系统维修手册,电路图..沃尔沃汽车XC602.0T 双离合 T5 智尚版 2014 B4204T7(2.0) [YV1DZ4754E**]
 正时链条怎么对..沃尔沃汽车有限公司沃尔沃 2013 b4204t7 [yv1dz4755d**]

Copyright @ 2009 www.car388.com All rights reserved. 蜀ICP备12014226号-2 增值电信增值业务许可证:川B2-20190647 服务电话:028-87038205 87039205 87020205 川公网安备 51010502010015号 公司地址:成都市龙泉驿区经开区南二路309号 鼎峰动力港 企业办公总部基地 12栋
2025-05-09.-.V28**