[返回列表.]    [免费下载畅易手机版APP ]

用户 90635446 **当前提问:请帮我找一下电动门锁电路图,和BCM

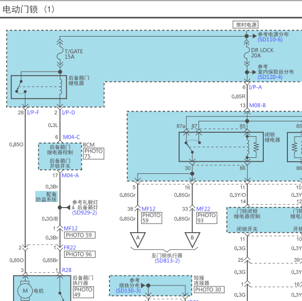
请帮我找一下电动门锁电路图,和BCM 电路图,SRS气囊电路图,与资料里面不对,这个车是MT的,手动变速箱。

.尊敬的用户,欢迎你使用在线客服,你的问题客服人员已为你处理完毕,请下载附件,如有疑问,欢迎和我们联系!.2011年现代I30 电动门锁电路图

附件:99302761841434.zip


用户 90635446 ***其他客服问题:
  OBC,车载充电器电路图.. 111-1[LGXC74C41N** ]
  AMT变速箱维修手册.. 奇瑞瑞虎3201103-SQR481FC[LVVDB21B5B** ]
  发动机电路图.. 111-1[2FMDK4KC4B** ]
  车身电脑电路图模块位置图。资料里面的与车.. 111-1[ JNKCY01E1** ]
以下是现代相关车型的客服问题,希望对您有帮助
 中控锁线路图 电控线路图 电脑位置图..现代维拉克斯 2007 维拉克斯
 现代酷派 2002维修手册 SS..现代酷派 2002 0 [0**]
 TCM=波箱电脑是吧 BCM=车身电脑. 我想知到DDM.D..现代维拉克斯(VERACRUZ) 08 3.8排量
 14年现代IX35 车身电脑 M13-C插头的位置图..现代IX35 2014 G4NA [LBELMBKC3E**]
 07胜达车速传感器安装位置..现代胜达 07 2.7
 现代X新胜达维修手册..现代新胜达 2011 G4KE [KMHSH81BXC**]
 发动机电控系统原理图或者发动机电控系统线..现代格锐 2014 D4HB [KMHSM81X8E**]
 雅科士局域网线路图..现代雅科士 2006 8缸 [KMHGV11D76**]
 启停按键的电路图,针脚定义。..现代IX35 21 A
 全车线路图..现代名驭 11 1.8G4GB [LBEEFAGA4B**]
 故障码 维修引导 维修手册..现代瑞纳 2012 G4FA [LBERCADBXC**]
 网络通讯电路图..现代劳恩斯酷派 2012 2.0 [KMHHT61D6D**]

Copyright @ 2009 www.car388.com All rights reserved. 蜀ICP备12014226号-2 增值电信增值业务许可证:川B2-20190647 服务电话:028-87038205 87039205 87020205 川公网安备 51010502010015号 公司地址:成都市龙泉驿区经开区南二路309号 鼎峰动力港 企业办公总部基地 12栋
2025-05-20.-.V28**VHTML-2025-V18-11-5---2-