[返回列表.]    [免费下载畅易手机版APP ]

用户 bdywin **当前提问:别克GL8室内灯线路图

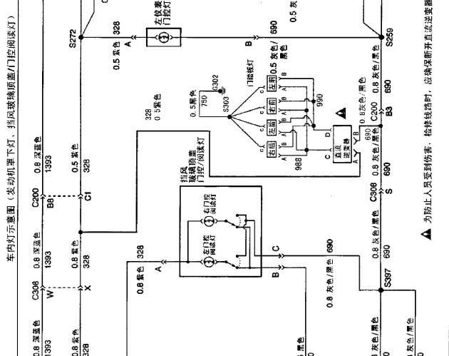
别克GL8室内灯线路图

.尊敬的用户,欢迎你使用在线客服,你的问题客服人员已为你处理完毕,请下载附件,如有疑问,欢迎和我们联系!别克GL8 照明电路.

附件:5863276265359.rar

03年的车GL8 03年的

!

!

.尊敬的用户您好,客服人员已为你发送了最后一点03年GL8的内部照明电路,请下载附件参考。给您带来不便,请谅解!03年别克GL8 车内灯电路.


用户 bdywin ***其他客服问题:
  12年锋范仪表电路图 资料里老款的不一样.. 本田锋范2012-1.5L
  10年揽胜运动版5.0L 后视摄像头的电路图 米切.. 路虎揽胜运动版10-5.0L
  06起亚佳乐2.0的变速箱线路图和位置图.. 起亚佳乐2006-2.0
  2010酷威2.7L刹车灯电路图.. 道奇酷威2010-2.7L
  2006年海南马自达福美来1.6自动波ABS电路图.. 马自达海南马自达2006-1.6[LH17CKKF56** ]
以下是别克相关车型的客服问题,希望对您有帮助
 gl8变速箱维修手册..别克GL8 2012 LFW [LSGUA83B4B**]
 车身模块电路图..别克 君威 2012 LTD [LSGGA54Y1D**]
 保险丝盒定义图和线路图..别克君越 2011 LDK 2.0L [LSGGF53F4B**]
 别克英朗2010年1.8L维修手册..别克英朗 2010 2H0 [LSGPB64R5A**]
 ABS电脑针脚图及电路图..别克君越 2011 LAF [LSGGF53W9B**]
 麻烦发一份09年君威2.4L的发动机电脑73+73针的..别克君威2.4L 08年12月 LE5 [LSGGA53X99**]
 GL8豪华商务车 11款 电路图 完整 ..上汽别克GL8 2011 LFW [LSGUA84BB8**]
 发动机针脚图..别克君越 2009 LE5 [LSGGF53X6A**]
 GL8无钥匙进入天线5电路图和位置图..别克GL8 2015 LFW [LSGUA83B5F**]
 昂科威1.5T电子节温器电路图..别克昂科威 2015 1.5T
 09款别克君越更换新电瓶后 启动马达马达只转..别克君越 09 LE5 [LSGGF53X4A**]
 7速双离合变速箱维修资料..别克威朗 2016 1.5T [LSGBC5355G**]

Copyright @ 2009 www.car388.com All rights reserved. 蜀ICP备12014226号-2 增值电信增值业务许可证:川B2-20190647 服务电话:028-87038205 87039205 87020205 川公网安备 51010502010015号 公司地址:成都市龙泉驿区经开区南二路309号 鼎峰动力港 企业办公总部基地 12栋
1.-.V25VHTML-2025-