[返回列表.]    [免费下载畅易手机版APP ]

用户 18962616 **当前提问:油泵电路图

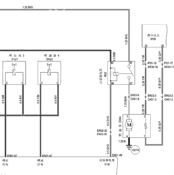
油泵电路图

.尊敬的用户,欢迎你使用在线客服,抱歉,没有2019年金杯快运的资料,客服为您处理了21年金杯海狮同款发动机油泵电路图参考,你的问题客服人员已为你处理完毕,请下载附件,如有疑问,欢迎和我们联系!2021年金杯海狮1TZS发动机油泵电路图.

附件:98822075643954.zip


用户 18962616 ***其他客服问题:
  查一下变速箱油底壳扭距.. 奔驰汽车B 2002.0 无级 豪华型2009-266 960(2.0)[WDDFH3DB3B** ]
  鼓风机电路图.. 丰田汽车LX4704.7 自动2005-2UZ-FE(4.7)[JTJHT00W66** ]
  安全气囊通讯电路图,还有通讯节点安装位置.. 奔驰汽车C 200 K1.8T 手自一体 优雅型2007-271 950(1.8)[wddgf41x07** ]
  雷克萨斯lx570E47 接线连接器安装位置.. 凌志LX5702017-1[1** ]
  p117098故障代码维修手册.. 江淮汽车思皓E10X302km 超越型 31.4kWh2021-TZ180XSIEM2(电动机)(电动)[LJ1EEKPP3M** ]
  B1417:13-8B,B1413:13-8B故障码资料.. 福特漫游者2018-柴油共轨[MNBLMF080J** ]
以下是华晨金杯相关车型的客服问题,希望对您有帮助
 发动机电脑针脚端子图和发动机电脑电路图..华晨金杯小海狮X301.3 手动 2015 DLCG12(1.3 [LSYAFAAM0H**]
 大灯 喇叭 雨刮 电路图..华晨金杯大海狮 2019 JE4D28Q5F [LJSKA3BH9K**]
 油泵继电器的电路图,怎么控制油泵的..华晨金杯华颂 15 N20B20C [LSYAABCS2F**]
 金杯小海狮X30全车电路图和维修手册..华晨金杯1.3L小海狮X30 2017年3月 DLCG12 [LSYAFAAM8H**]
 发动机电脑针脚图..华晨金杯SY6521X4S3BG 2012 U20 [LSYHGAABXC**]
 空调系统线路图,鼓风机线路图。..华晨金杯海狮X30L1.5 手动 财富版 2018 DLCG14(1.5) [Lsykfaaa9j**]
 发动机电路图..华晨金杯御领2.7 手动 长轴 2006 3RZ(2.7 [LSYAAABF78**]
 PEPS电源电路图了,发邮箱15998831086@163.com..华晨金杯智尚S351.5 手动 都市版 2016 4A15(1.5) [LSYADACA8G**]
 金杯小海狮发动机正时图..华晨金杯小海狮 2016 DLCG12 [LSYAFAAK1G**]
 发动机电路图..华晨金杯阁瑞斯2.7 手动 标准顶豪华型长轴11座 2014 2TR(2.7) [LSYHKACGXH**]
 助力转向系统电路图..华晨金杯海狮X30L 2016 DLCG14 [LSYAFAAA9G**]
 P0420故障码含义发邮箱15998831086@163.com..华晨金杯阁瑞斯2.4 手动 半高顶旗舰型短轴7座 2014 4RB2(2.4) [LSYAAACF8F**]

Copyright @ 2009 www.car388.com All rights reserved. 蜀ICP备12014226号-2 增值电信增值业务许可证:川B2-20190647 服务电话:028-87038205 87039205 87020205 川公网安备 51010502010015号 公司地址:成都市龙泉驿区经开区南二路309号 鼎峰动力港 企业办公总部基地 12栋
2026-02-12.-.V28**