[返回列表.]    [免费下载畅易手机版APP ]

用户 惠成 **当前提问:柴油版燃油供给系统电路图

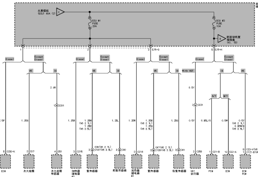
柴油版燃油供给系统电路图

.尊敬的用户,欢迎你使用在线客服,你的问题客服人员已为你处理完毕,请下载附件,如有疑问,欢迎和我们联系!圣达菲2.0发动机电路图.

附件:7405279116010.rar


用户 惠成 ***其他客服问题:
  给我找一份05年保时捷卡宴4.5排量ABS的线路图.. 保时捷卡宴2005年-
  05年丰田4700LC100中控锁电路图.. 111-1[1** ]
  宝马X1油泵继电器位置.. 宝马X113-2.0[LBVVZ1106E** ]
  2012年锐骐皮卡发动机电脑管脚图.. 东风牌锐骐皮卡2012-ZD25TCR[LJNTGUBX9C** ]
  14款捷豹XF智能钥匙电脑位置和电路图.. 捷豹XF14-3.0
  转向助力泵针角图.. 东风标致307DC71643072005-N6A 10XA3A PSA[LDC913L235** ]
以下是华泰相关车型的客服问题,希望对您有帮助
 你好 帮忙飞一个华泰圣达菲尾门锁块电路图..华泰圣达菲 2018 4G15T [LRH12T2BOH**]
 华泰圣达菲1.8T正时怎样对..华泰圣达菲 2009 18K4G
 华泰圣达菲1.8T线路图..华泰汽车圣达菲 2008 18K40 [LRH12R2B88**]
 10年华泰圣达菲2.0柴油发动机防盗问题,防盗..华泰圣达菲圣达菲 10 柴油车2.0 [LRH14B1B3A**]
 华泰圣达菲防盗系统维修手册电路图..华泰汽车圣达菲 2010 D4EA [LRH12B2B2A**]
 发动机电喷线路图..华泰特拉卡SDH6470A 2005 V6 3.5排量 [LG12GA2E25**]
 发动机电脑针脚图,和发动机电路图邮箱176623..华泰汽车圣达菲2.0 手动 两驱导航版 2012 4G94D(2.0) [LRH12A2B3C**]
 华泰圣达菲油门踏板电路图..华泰圣达菲 08 1.8
 点火电路图..华泰圣达菲 09 2.0柴油 [LRH12B2B49**]
 现代圣达菲四驱电路图,和四驱电路图中文翻..现代圣达菲 2007 D4EA [LRH14B1B27**]
 喷油嘴到电脑的电路图..华泰圣达菲 2007 G6BA [LRH14C1BX7**]
 16年圣达菲启动电路图..华泰新圣达菲 16年 15S4G [LRH12T5B4G**]

Copyright @ 2009 www.car388.com All rights reserved. 蜀ICP备12014226号-2 增值电信增值业务许可证:川B2-20190647 服务电话:028-87038205 87039205 87020205 川公网安备 51010502010015号 公司地址:成都市龙泉驿区经开区南二路309号 鼎峰动力港 企业办公总部基地 12栋
1.-.V25VHTML-2025-