[返回列表.]    [免费下载畅易手机版APP ]

用户 17662360 **当前提问:起动机电路图,起动机继电器位置图

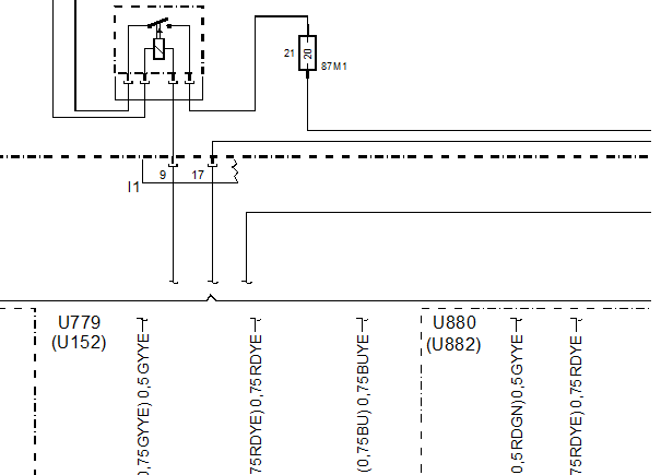
起动机电路图,起动机继电器位置图,

.尊敬的用户,欢迎你使用在线客服,你的问题客服人员已为你处理完毕,请下载附件,如有疑问,欢迎和我们联系!2010年奔驰S600L起动机电路图和保险丝继电器资料.

附件:86232795096453.zip


用户 17662360 ***其他客服问题:
  倒车雷达模块位置.. 福建奔驰唯雅诺2.5 手自一体 豪华版2011-272 924(2.5)[LB1WA5886B** ]
  拆a柱C柱,修排水管。 A柱C柱及部分顶棚怎么.. 一汽大众(奥迪)A4L2.0TFSI 双离合 45TFSI Quattro 风尚型2017-CWP(2.0)[LFV3A28W3G** ]
  一键启动便捷进入电路图176623607@qq.com.. 比亚迪汽车F31.5 手动 节能版豪华型2015-BYD473QE(1.5)[LGXC16AF8F** ]
  发动机电脑板电路图针脚图,176623607@qq.com.. 长安汽车长安星卡1.0 手动 短轴2006-JL465QB(1.0)[LSCBB53D3A** ]
  发动机电路图电脑板针脚定义.. 昌河铃木北斗星1.4 手动 超惠型2016-K14B-D(1.4)[LVFAB2ADXH** ]
  发动机后飞轮盘安装位置,.. 江淮汽车瑞铃V12.2 手动 四驱标准型大双排2014-491QE(2.2)[LJ166AB28E** ]
以下是奔驰汽车相关车型的客服问题,希望对您有帮助
 阀体的维修手册..奔驰汽车S 5505.5 手自一体 LWB AMG运动版 2006 273 961(5.5) [WDDNG71X27**]
 油泵控制电路图和位置图..奔驰汽车G 63 AMG5.5T 手自一体 2013 157 984(5.5) [WDCYC7CF0E**]
 找N543模块的位置 ..奔驰汽车S 5505.5 手自一体 LWB AMG运动版 2006 273 961(5.5) [WDDNG71X37**]
 变速箱油路图..奔驰汽车S 600 L5.5T 手自一体 2006 275 953(5.5) [WDDNG76X07**]
 保险盒定义图..奔驰汽车Fortwo Cabrio1.0 序列变速 MHD 激情版 2012 3B21(132 910)(1.0) [WMEEK8AA6C**]
 点火线圈电路图发邮箱15998831086@163.com ..奔驰汽车R 350 L 4MATIC3.5 手自一体 四驱版 2005 272 967(3.5) [WDCCB65E18**]
 查一下二次空气喷射泵线路图 谢谢..奔驰汽车G 5005.5 手自一体 2013 273 963(5.5) [WDCYC3GF5C**]
 转向灯电路图,雨刮水喷水壶的电路图..奔驰汽车R 350 L 4MATIC [美规]3.5 手自一体 四驱美规版 2005 272 967(3.5) [4JGCB65E06**]
 外部皮带轮系拆装教程 安装教程..奔驰汽车ML 350 4MATIC3.5 手自一体 四驱动感型 2008 272 967(3.5) [WDCBB8GB7A**]
 前保险杠雷达、巡航ACC系统电路图..奔驰汽车GLE 320 4MATIC3.0T 手自一体 动感型 2018 276 821(3.0) [WDCDA6CB8J**]
 前杠骨架防撞梁拆装,水箱冷凝器拆装,..奔驰汽车GLC 260 Coupe 4MATIC2.0T 手自一体 2018 274 920(2.0) [WDC0J4GB5J**]
 涡轮增压器 维修手册 数据流..奔驰汽车ML 400 4MATIC3.0T 手自一体 动感型 2014 276 821(3.0) [WDCDA5GB1F**]

Copyright @ 2009 www.car388.com All rights reserved. 蜀ICP备12014226号-2 增值电信增值业务许可证:川B2-20190647 服务电话:028-87038205 87039205 87020205 川公网安备 51010502010015号 公司地址:成都市龙泉驿区经开区南二路309号 鼎峰动力港 企业办公总部基地 12栋
2026-01-21.-.V28**