[返回列表.]    [免费下载畅易手机版APP ]

用户 zhufuha **当前提问:这个车的发动机电脑和防盗系统的电

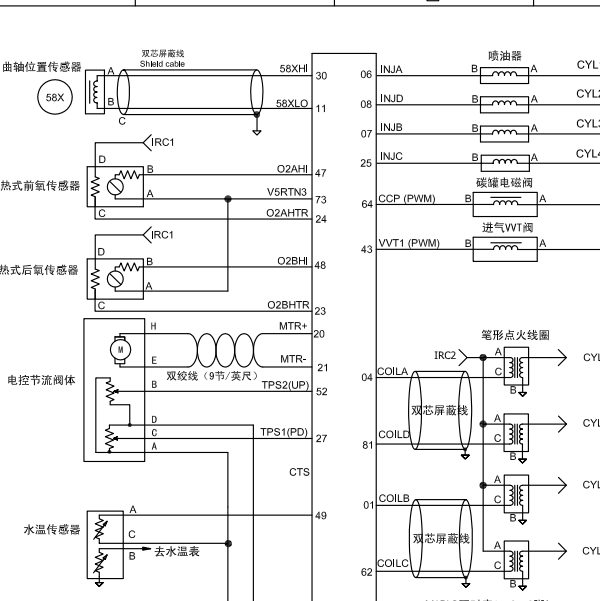
这个车的发动机电脑和防盗系统的电路图,用的MT20U2的,81针

.尊敬的用户,欢迎你使用在线客服,客服已经致电联系您,并说明MT20U2的电脑只有73针,客服给您查找了您需要的MT22.1的发动机电脑电路图,请下载附件,如有疑问,欢迎和我们联系!德尔福MT22.1发动机电脑电路图.

附件:34592823503473.rar


用户 zhufuha ***其他客服问题:
  北汽绅宝X35全车电路图.. 北京汽车绅宝X352016.07-A151[LNBSCUAK6G** ]
  14年东风风光330发动机控制电路图.. 东风小康汽车DXK6440AF32014.08-DK15-01[LVZA43F96E** ]
  老款福特蒙迪欧左右侧电动座椅电路图 平台.. 长安福特蒙迪欧2005-2.5 V6[LVSHBFAD15** ]
  2.0发动机电脑端子图.. 东风日产逍客2012-MR20[LGBL2AE07B** ]
以下是长城汽车相关车型的客服问题,希望对您有帮助
 B182700这故障码维修资料..长城汽车炮2.0T 自动 商用版柴油四驱精英型长箱 2021 GW4D20M(2.0) [LGWDBF1A5M**]
 全车维修手册ss..长城汽车风骏7 2019/2020 . [.**]
 长城腾翼C50,发动机 ABS 电路图 通讯电路图..长城汽车腾翼C50 12 GW4G15T [LGWEF3K5XC**]
 风骏07年的电路图?x..长城汽车风骏 2007 1111
 正时..长城汽车炮2.0T 自动 两驱舒适版小双 2019 GW4C20B(2.0) [LGWCB6198L**]
 这个车的倒车摄像头电路图,谢谢..长城汽车H6 Coupe2.0T 手动 四驱精英型 2015 GW4C20(2.0) [LGWFF6A51F**]
 全车维修手册ss..长城汽车欧拉好猫 2021 . [.**]
 电动升降机线路图..长城汽车哈弗H5 2010 CW2.51C1 [LGWFFCA5XA**]
 长城哈佛H6驻车制动电路图单独(带驻车制动模..长城汽车股份有限公司CC6461RM0Z 2018.02 GW4G15B [LGWEF4A52J**]
 整车控制器维修手册..长城汽车拿铁DHT-PHEV 2022/2023 . [.**]
 后背箱控制电路图..长城汽车H62.0T 双离合 两驱风尚型蓝标 2017 GW4C20(2.0) [LGWEF6A57H**]
 这个车安全气囊电路图..长城汽车蓝山DHT四驱长续航版 2023 E15BE(1.5) [LGWFGVA72P**]

Copyright @ 2009 www.car388.com All rights reserved. 蜀ICP备12014226号-2 增值电信增值业务许可证:川B2-20190647 服务电话:028-87038205 87039205 87020205 川公网安备 51010502010015号 公司地址:成都市龙泉驿区经开区南二路309号 鼎峰动力港 企业办公总部基地 12栋
2025-08-29.-.V28**