[返回列表.]    [免费下载畅易手机版APP ]

用户 **当前提问:雾灯电路图

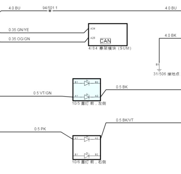
雾灯电路图

.尊敬的用户,欢迎你使用在线客服,你的问题客服人员已为你处理完毕,请下载附件,如有疑问,欢迎和我们联系!.2023年沃尔沃V90雾灯电路图

附件:27602825739106.zip

已评价:5星好评


用户 ***其他客服问题:
  发动机维修手册.. 克莱斯勒Compass [指南者]2.0 无级 豪华版2012-A(2.0)[1C4NJCCA3C** ]
  四门模块电路图.. 奔驰汽车G 5003.0T 手自一体2025-256 830(3.0)[W1NWH1ABXS** ]
  刹车灯开关电路图.. 东风汽车风光3701.5 手动 舒适型5座2016-SFG15-05(1.5)[LVZA53P9XG** ]
  前面传动轴大螺丝扭矩,平台看了只有拆卸安.. 沃尔沃亚太S902.0T 手自一体 T5 智远豪华版2020-B4204T23(2.0)[LVYPD10D6K** ]
  半轴螺丝 扭矩.. 保时捷汽车Carrera 4S3.8 双离合2013-MA103V(3.8)[WP0AB2997E** ]
  车门电路图.. 保时捷汽车Cayenne [卡宴]3.0T 手自一体2018-DCB(3.0)[WP1AA29YXJ** ]
以下是沃尔沃汽车相关车型的客服问题,希望对您有帮助
 TCAM模块的电路图..沃尔沃汽车Polestar 2(极星2)单电机标准续航 2021 EAD3.3(电动机)(电动) [LPSVBECE0N**]
 大修资料..沃尔沃汽车V602.0T 手自一体 T5 智逸版 2014 B5204T9(2.0) [YV1FW63C2E**]
 发动机连杆安装部分..沃尔沃汽车XC602.0T 双离合 T5 个性运动版 2014 B4204T7(2.0) [YV1DZ4754E**]
 气囊电路图和针脚..沃尔沃汽车V602.0T 手自一体 T5 智尊版 2013 B5204T9(2.0 [YV1FW63CXD**]
 燃油泵线了,是8线的..沃尔沃汽车XC902.0T 手自一体 T5 智逸版 7座 2017 B4204T23(2.0) [YV1LF10D2H**]
 米切尔版的全车电路图。3.0排量的..沃尔沃汽车XC603.0T 手自一体 T6 AWD 个性运动版 2014 B6304T4(3.0) [YV1DZ90H2E**]
 空调系统的电路图,包括电器的安装位置..沃尔沃汽车XC902.0T 手自一体 T6 智尊豪华版 7座 2020 B4204T27(2.0) [YV1LFA2G9K**]
 右后门锁块 电路图..沃尔沃汽车XC602.0T 双离合 智尊版 2011 B4204T6(2.0) [YV1DZ4457B**]
 刹车灯开关线路图..沃尔沃汽车C302.0 双离合 新智雅版 2010 B4204S3(2.0) [YV1MK4345A**]
 麻烦帮我找一下这个车的正时资料图..沃尔沃汽车XC902.0T 手自一体 T6 智逸版7座 2015 B4204T27(2.0) [YV1LFA2D7G**]
 敞篷资料,电路图,维修手册故障码维修,176..沃尔沃汽车C70 Convertible [C70 敞篷车]2.5T 手自一体 T5 2008 B5254T7(2.5) [YV1MC67548**]
 这个液位传感器的电路图..沃尔沃汽车XC602.0T 双离合 T5 智尚版 2013 B4204T7(2.0) [YV1DZ475XD**]

Copyright @ 2009 www.car388.com All rights reserved. 蜀ICP备12014226号-2 增值电信增值业务许可证:川B2-20190647 服务电话:028-87038205 87039205 87020205 川公网安备 51010502010015号 公司地址:成都市龙泉驿区经开区南二路309号 鼎峰动力港 企业办公总部基地 12栋
2026-01-20.-.V28**