[返回列表.]    [免费下载畅易手机版APP ]

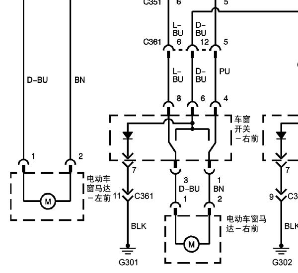
用户 87522437 **当前提问:左前玻璃升降开关线路图

左前玻璃升降开关线路图

.尊敬的用户,欢迎你使用在线客服,你需要的资料在《畅易汽车维修技术支持平台》是有的,请直接登陆查询!查询方法:国内厂家 -> 上海别克-凯越(Excelle)-2008[ 维修手册/诊断 /电路图 ] ->第8章车身->8.6车门->8.6.2示意图和布线图 ->8.6.2.1电动车窗示意图(前窗和后窗).2008年别克凯越玻璃升降电路图


用户 87522437 ***其他客服问题:
  发动机舱保险说明.. 大众帕萨特2011-1[LSVCD6A44B** ]
  顶灯线路图.. 丰田汽车NX2002.0 无级 锋行版2018-3ZR-FAE(2.0)[JTJYERBZ1K** ]
  车身电脑不通讯或上电不行或者通讯问题.. 一汽捷达20Ⅱ-1.6[LFV2AⅡG7** ]
  鼓风机电路图.. 神龙汽车爱丽舍-三厢1.6 手动 VIP 塞纳座椅版2005-N6A 10FX3A PSA(1.6)[LDC753L235** ]
  找个左边电动中门模块的保险丝位置.. 福建奔驰 唯雅诺 2012- 272 978 [LB1WA5A62C** ]
  查下这车空调线路图.. 日产汽车Civilian [碧莲]4.5 手动 STD2011-TB45E(4.5)[JN1DW12S8C** ]
以下是上海通用相关车型的客服问题,希望对您有帮助
 15款别克凯越发动机电脑针脚图..上海通用别克凯越 15-7 L2B [LSGJA52H7F**]
 自动变速箱电脑针脚定义 和通讯电路图..上海通用林荫大道 07 LE5 [LSGWT52X77**]
 全车电路图..上海通用别克凯越 05 F16D3 [LSGJT62U05**]
 发动机电脑针脚定义图..上海通用ATS-L2.0T 手自一体 25T 舒适型 2014 LTG(2.0) [LSGAR5AL7F**]
 发动机电脑版针脚图..上海通用君越 07 LE5 [LSGWT52X67**]
 09款gl8风扇控制电路图没有..上海通用gl8 09 lzc [lsgud82c9a**]
 车窗升降插头定义。升降电路图..上海通用XTS2.0T 手自一体 28T 舒适型 2014 LTG(2.0) [LSGGH55L3E**]
 宝骏630发动机电脑针脚图..上海通用宝骏630 2016年3月 l2b [lzwaeaga9g**]
 全车电路图ss..上海通用五菱Nano EV 2021/2022 . [.**]
 全车线路图..上海通用五菱五菱荣光小卡1.2 2015年7月 LD6 [LZWCBAGA1F**]
 发动机电脑板,针脚图。..上海通用英朗XT1.8 手自一体 时尚版 2010 2H0(1.8) [LSGPB64R4A**]
 机油压力开关电路图..上海通用雪弗兰创酷 2015 LFF [LSGJM84J7F**]

Copyright @ 2009 www.car388.com All rights reserved. 蜀ICP备12014226号-2 增值电信增值业务许可证:川B2-20190647 服务电话:028-87038205 87039205 87020205 川公网安备 51010502010015号 公司地址:成都市龙泉驿区经开区南二路309号 鼎峰动力港 企业办公总部基地 12栋
2026-01-22.-.V28**