[返回列表.]    [免费下载畅易手机版APP ]

用户 18293149 **当前提问:博越L起动机控制电路图和保险丝盒注

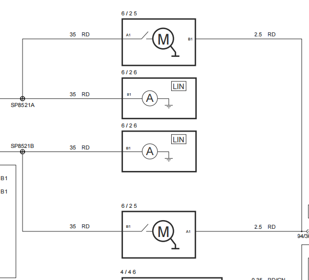
博越L起动机控制电路图和保险丝盒注解

.尊敬的用户,欢迎你使用在线客服,抱歉没有24年博越L保险资料,客服处理了22年博越保险继电器资料,和24年博越L起动机电路图参考,你的问题客服人员已为你处理完毕,请下载附件,如有疑问,欢迎和我们联系!2024年吉利博越L 起动机控制电路图.

附件:51622850073554.zip


用户 18293149 ***其他客服问题:
  17年科雷嘉全车电路图和维修手册.. 雷诺科雷嘉2017-M5R[LHMA4DGN7H** ]
  燃油泵电路图.. 东风本田思域2017.6-L15B8[LVHFC1566H** ]
  全车中文电路图.. 克莱斯勒指南者2013.09-B[1C4NJDCBXE** ]
  标致408油泵电路图.. 东风标致4082017-10UF01[LDC973249H** ]
  吉利远程星享,F1E厢式车闭锁器,电动摇窗机.. 吉利远程星享F1E2023-电车[LA7IAUH3XP** ]
  燃油泵以及控制相关电路图.. 东南DX8S2022-SQRE4T15C[LDNHC8FC4N** ]
以下是吉利相关车型的客服问题,希望对您有帮助
 没有正时资料..吉利汽车金刚2代1.5 手动 进取版 2013 MR479QA(1.5) [LB37624SXE**]
 有没有4G18DVVT的发动机正视图..吉利帝豪 4G18
 发动机蒸发系统碳管通风控制电路图..吉利帝豪 23 BHE15-AFD [LB37824ZXP**]
 组合开关电路图..吉利汽车SC7(海景)1.8 手动 豪华型 2010 JL4G18(1.8) [LJU8844S9A**]
 发动机正时请给个文件..吉利帝豪EC7 2010 1 [L6T7844Z1B**]
 吉利远景 MT80电脑板接脚定义有吗..吉利远景 2010 汽油
 吉利远景中控锁控制盒位置图..吉利远景 2009.02 1.5 [LB37824S59**]
 正时01SS..吉利汽车 远 远景 2014 1.5L 手动 JLγ-4G15 [LB37824S6E**]
 麻烦发一份转向灯部分的电路图,和车身电脑..吉利SX7 2013 JL4G18 [L108DBS51E**]
 给我一份这个车的变速箱电脑电路图跟针脚图..吉利帝豪 2021 JLY-4G15-1.5L [LJ2KV8NA0M**]
 更换ABS传感器怎么字习..吉利。帝豪博瑞 2017 1.8丅 [L6T7944Z1F**]
 全车维修手册ss..吉利汽车帝豪GL PHEV 2020/2021 . [.**]

Copyright @ 2009 www.car388.com All rights reserved. 蜀ICP备12014226号-2 增值电信增值业务许可证:川B2-20190647 服务电话:028-87038205 87039205 87020205 川公网安备 51010502010015号 公司地址:成都市龙泉驿区经开区南二路309号 鼎峰动力港 企业办公总部基地 12栋
2026-02-07.-.V28**