[返回列表.]    [免费下载畅易手机版APP ]

用户 QS **当前提问:13年凯迪拉克SRX发动机,波箱电路图

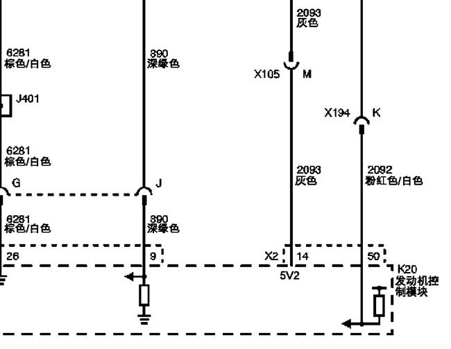
13年凯迪拉克SRX发动机,波箱电路图

.尊敬的用户,欢迎你使用在线客服,你的问题客服人员已为你处理完毕,请下载附件,如有疑问,欢迎和我们联系!13年凯迪拉克SRX 发动机电路.

附件:8056285091488.rar

.尊敬的用户,欢迎您使用在线客服,您需要的资料已更新了全系统的维修手册,请您直接进入畅易平台查询!查询方法:国内厂家 ->上海凯迪拉克-SRX-2013[ 维修手册/诊断 /电路图 ].上海凯迪拉克-SRX-2013[ 维修手册/诊断 /电路图 ]


用户 QS ***其他客服问题:
  06年欧宝雅特转向灯电路图转向灯闪光继电器.. 欧宝雅特2006年-1[1** ]
  倒档开关到倒档继电器的电路图,倒档没有信.. JNKCV64E69M300119英菲尼迪G2009-VQ37VHR[JNKCV64E69** ]
  保时捷卡宴3.0左前倒车镜线路图.. 保时捷卡宴2014-3.0[车在外** ]
  马自达3昂克赛拉两厢车发动机电路图和发动.. 马自达昂克赛拉2019-P5
  雷克萨斯GS300的网关的安装位置.. 凌志GS3001-1[JTHBG96S26** ]
  2013年英菲尼迪QX80维修手册或电路图.. 英菲尼迪QX802013-VK56[JPKNLHLZ** ]
以下是凯迪拉克相关车型的客服问题,希望对您有帮助
 凯迪拉克SRX4 后备箱开关指示电路图..凯迪拉克SRX5 2010.07 LF16AS656157 [3GYFNDEY4A**]
 11年凯迪拉克SRX线路图 谢谢..凯迪拉克SRX 11年 3.6 [3GYFN9EY8B**]
 查一下空气悬挂系统电路图..凯迪拉克凯雷德 2021 1 [1GYS48KLAM**]
 2020款凯迪拉克CT5维修手册..凯迪拉克CT5 2020-01 LSY [L S G D S5**]
 凯迪拉克SRX维修资料..凯迪拉克SRX 2011 3.0
 发动机电路图和维修手册..凯迪拉克雷斯特 08 6200 [3GYFK62868**]
 车顶天窗,天窗卷帘维修手册..凯迪拉克SRX 2010 LF1 [3GYFN9EY7B**]
 音响功放模块针尖定义..凯迪拉克凯迪拉克 08/10 LF1 [3GYFN9EY4B**]
 09年凯迪拉克CTS扫描不到(HVAC控制模块)系统..凯迪拉克CTS 09 LP1 [1G6DF57T89**]
 凯迪拉克远近光灯保险盒图和线路图..凯迪拉克凯迪拉克SRX 10年4月 LF1 [3GYFNFEYXA**]
 凯迪拉克儿童锁设置..凯迪拉克STS(2002—2009年款) 全部年份 全系列 [全系列**]
 胎压系统 维修手册 胎压天线位置..凯迪拉克凯雷德 2022 汽油

Copyright @ 2009 www.car388.com All rights reserved. 蜀ICP备12014226号-2 增值电信增值业务许可证:川B2-20190647 服务电话:028-87038205 87039205 87020205 川公网安备 51010502010015号 公司地址:成都市龙泉驿区经开区南二路309号 鼎峰动力港 企业办公总部基地 12栋
1.-.V25VHTML-2025-