[返回列表.]    [免费下载畅易手机版APP ]

用户 **当前提问:can电路图

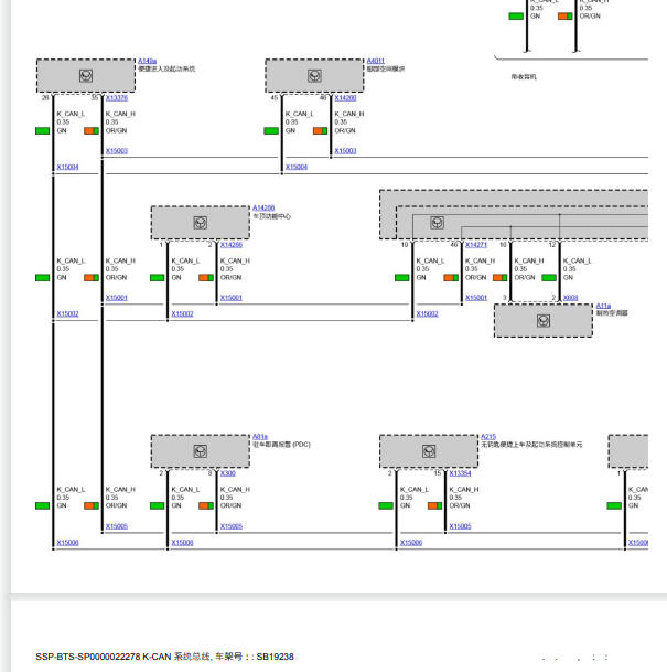
can电路图

.尊敬的用户,欢迎你使用在线客服,你的问题客服人员已为你处理完毕,请下载附件,如有疑问,欢迎和我们联系!2007年宝马320iCAN电路图.

附件:83842880013847.rar

已评价:5星好评


用户 ***其他客服问题:
  缸盖,曲轴瓦,连杆瓦的扭矩 .. 丰田花冠2005-1ZZ[LTVBR22E55** ]
  发动机电路图 线束分布示意图.. 起亚汽车Sorento [索兰托]3.5 手自一体 四驱2005-G6CU(3.5)[KNAJC52326** ]
  手动变速箱内部拆装.. 一汽丰田柯斯达4.0 手动 豪华车20座2015-6GR(4.0)[LFME55819J** ]
  ETC 位置.. 奔驰汽车G 450 d 4MATIC 48V3.0T 手自一体2025-656 830(3.0)[W1NWC1AB8S** ]
  拆装仪表台.. 沃尔沃亚太S90 48V2.0T 自动 B5 智远豪华版2021-B420T2(2.0)[LVYPDL1D5M** ]
  找一下DCDC的电路图.. 长安汽车CS55 EV标准续航 智悦版2020-XTDM13(电动机)(电动)[LS6A3E0M9M** ]
以下是华晨宝马相关车型的客服问题,希望对您有帮助
 氧传感器加热线圈保险丝在什么地方..华晨宝马宝马325i 2005年 N52B25BF [LBVVB59095**]
 宝马535LI 发动机正时装配资料 电脑插件没法..华晨宝马BMW535Li 2010.9 N55B30A 3.0 [LBVFR7904B**]
 找一份发动机的维修手册 03SS..华晨宝马320Li 2013 N20B20D [LBV3M210XD**]
 倒车雷达 线路图 模块安装位置 保险丝位置..华晨宝马宝马320 18年5月份 B48B20C [LBV8W3103J**]
 宝马525li空调维修手册..华晨宝马525li 2015.03 n20b20c [LBV5S3102F**]
 雨刮继电器位置..华晨宝马530i3.0 手自一体 豪华型 2004 M54B30(306S3)(3.0) [LBVNA79094**]
 10年宝马523LI 鼠标按键不起作用..华晨宝马523LI 2010年 N52 [LBVFP3906B**]
 REM后部电子模块 E5944D故障码含义..华晨宝马320Li2.0T 手自一体 M豪华套装 2019 B48B20C(2.0) [LBV8W3100K**]
 电子手刹按钮电路图..华晨宝马120i1.5T 双离合 时尚型 2020 B38A15C(1.5) [LBV2W5103L**]
 倒车雷达电路图..华晨宝马宝马X1 2015 N20B20C [LBVUG7104F**]
 发动机和变速箱线路图..华晨宝马525Li 2015年08月 N20B20C [LBV5S3103F**]
 X382的位置..华晨宝马320Li2.0T 手自一体 时尚型 2017 B48B20C(2.0) [LBV8W3104H**]

Copyright @ 2009 www.car388.com All rights reserved. 蜀ICP备12014226号-2 增值电信增值业务许可证:川B2-20190647 服务电话:028-87038205 87039205 87020205 川公网安备 51010502010015号 公司地址:成都市龙泉驿区经开区南二路309号 鼎峰动力港 企业办公总部基地 12栋
2026-04-25.-.V28**