[返回列表.]    [免费下载畅易手机版APP ]

用户 18687999 **当前提问:CAN系统PT-CAN线路图 网络拓扑图 帮忙查

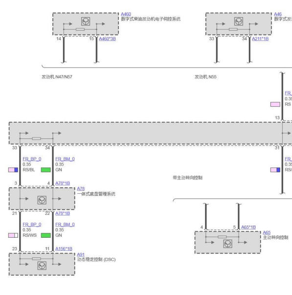
CAN系统PT-CAN线路图 网络拓扑图 帮忙查一下

.尊敬的用户,欢迎你使用在线客服,你的问题客服人员已为你处理完毕,请下载附件,如有疑问,欢迎和我们联系!2015年宝马X5 CAN电路图.

附件:43612885651549.rar


用户 18687999 ***其他客服问题:
  变速箱离合器电机控制示意图.. 上汽通用五菱5101.5 序列变速 时尚型2017-L2B(1.5)[LZWADAGA3J** ]
  这个车的网络拓扑图.. 长安汽车CX701.6 手动 智联型2016-4G18M2(1.6)[LS4ASJ2E3H** ]
  转向灯控制线路.. 法拉利汽车458 Italia4.5 双离合 标准型2011-F136FB(4.5)[ZFF67NHE2D** ]
  电子水泵三线电路图帮查下是到插头几脚.. 沃尔沃亚太XC602.0T 手自一体 T5 智行版2015-B4204T11(2.0)[LYVDF40A5F** ]
  无钥匙启动系统车外读卡器在哪里?.. 长城汽车iQ高续航版进取型2018-TZ242XS002(电动机)(电动)[LGWEEUA52K** ]
  仪表线路图.. 长安福特马自达福克斯-三厢1.8 手自一体 豪华型2009-CAF483Q0(1.8)[LVSHCFAE89** ]
以下是宝马汽车相关车型的客服问题,希望对您有帮助
 A0b6故障码,诊断流程..宝马汽车Cooper Countryman All 41.6T 手自一体 Excitement 2014 N18B16A(1.6) [WMWXD7107F**]
 电路图..宝马汽车Cooper Countryman1.6 手自一体 Excitement 2011 N16B16A(1.6 [WMWZB3107C**]
 进气凸轮轴传感器2位置图发邮箱15998831086@163.c..宝马汽车740Li3.0T 手自一体 豪华型 2009 N54B30A(3.0 [WBAKB41099**]
 麻烦查一下这车的近排气门杆的直径是一样吗..宝马汽车X5 3.0si3.0 手自一体 2007 N52B30BF(3.0) [WBAFE41087**]
 蓄电池到用电器火线供电线路..宝马汽车X1 xDrive20i2.0T 手自一体 2012 N20B20A(2.0) [WBAVM9100C**]
 保险盒电路图..宝马汽车X6 xDrive35i3.0T 手自一体 2011 N55B30A(3.0 [WBAFG2104B**]
 CAN总线电路图 平台不全..宝马汽车X3 xDrive20i2.0T 手自一体 X设计套装 2014 N20B20A(2.0) [WBAWX3103G**]
 帮我找一下后尾灯电路图..宝马汽车730Li2.0T 手自一体 豪华套装(改款) 2019 B48B20B(2.0) [WBA7T0105L**]
 倒车影像电路图..宝马汽车730Li2.0T 手自一体 豪华型 2016 B48B20B(2.0) [WBA7E010XG**]
 驱动装置电路图 ..宝马汽车740Li3.0T 手自一体 领先型 2009 N54B30A(3.0) [WBAKB41069**]
 音响电路图和端子图..宝马汽车X5 3.0i3.0 手自一体 四驱版 2006 M54B30(306S3)(3.0) [WBAFA11096**]
 变速箱..宝马汽车525i2.5 自动 1991 M50B25(2.5) [WBAHD6329S**]

Copyright @ 2009 www.car388.com All rights reserved. 蜀ICP备12014226号-2 增值电信增值业务许可证:川B2-20190647 服务电话:028-87038205 87039205 87020205 川公网安备 51010502010015号 公司地址:成都市龙泉驿区经开区南二路309号 鼎峰动力港 企业办公总部基地 12栋
2026-02-11.-.V28**