[返回列表.]    [免费下载畅易手机版APP ]

用户 明远 **当前提问:雨刮电路图

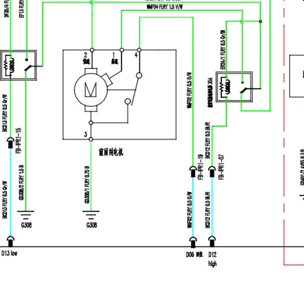
雨刮电路图

..尊敬的用户,欢迎你使用在线客服,非常抱歉没有2021年科赛的资料,客服处理了2019年长安科赛雨刮电路图资料参考。你的问题客服人员已为你处理完毕,请下载附件,给您带来不便,请谅解!2019年长安科赛雨刮电路图.

附件:92322898294871.rar


用户 明远 ***其他客服问题:
  22年吉普插电式混动牧马人2.0T,全车线路图,.. 吉普牧马人撒哈拉2022-6[1C4JJXP6XN** ]
  全车电路图.. 东风日产锐骐62021-m9t[LJNTGUC51L** ]
  你好,请你帮我查一下smat fortwo/W451的电路图.. 奔驰汽车-Fortwo Coupe奔驰汽车-Fortwo Coupe2012-1[WMEEJ3CA8B** ]
  全车电路图.. 奔驰ML632014-157 982[WDCDA7EB8E** ]
  ABS的电路图和ABS的通讯电路图.. 猎豹牌轻型客车2006-4G64 S4 M[LL66543036** ]
以下是长安汽车相关车型的客服问题,希望对您有帮助
 平台上网关电路图跟网关针脚资料不匹配,麻..长安汽车逸动 48V1.6 手动 蓝动版先锋型 2017 JL478QEA(1.6) [LS5A2ABEXJ**]
 长安睿行M70电路图..长安汽车M70 18 1.5
 2018-2019年长安悦翔全车维修手册 SS..长安汽车悦翔(Alsvin) 2018-2019 00 [00**]
 空调控制线路..长安汽车CX201.4 序列变速 天窗导航版 2014 JL473Q1(1.4) [LS5A3ASR6E**]
 麻烦找一下这个车刹车开关四线,电路图..长安汽车长安之星71.4 手动 2013 JL473Q3(1.4) [LS4ASB3R9E**]
 刹车灯线路图..长安汽车悦翔V51.5 手动 梦幻版 2012 JL478QCC(1.5) [LS5A2ABE7E**]
 正时系统 ..长安汽车长安之星71.4 手动 基本型7-8座 2014 JL473Q3(1.4) [LS4ASB3R7E**]
 启动机线路图..长安汽车CS751.5T 手自一体 280T 智惠型 2020 JL476ZQCF(1.5) [LS4ASE2EXK**]
 2018-2019年长安汽车CS15EV全车电路图 SS..长安汽车CS15EV 2018-2019 00 [00**]
 车门维修手册..长安汽车凯程F70 2020/2021/2022 . [.**]
 逸动转向灯线路图..长安汽车逸动 2014 ji478qea [ls5a2dge6e**]
 长安之星465发动机分电点火怎么对的啊..长安汽车长安之星 2007 465 [SL4BDB3D17**]

Copyright @ 2009 www.car388.com All rights reserved. 蜀ICP备12014226号-2 增值电信增值业务许可证:川B2-20190647 服务电话:028-87038205 87039205 87020205 川公网安备 51010502010015号 公司地址:成都市龙泉驿区经开区南二路309号 鼎峰动力港 企业办公总部基地 12栋
2026-01-20.-.V28**