[返回列表.]    [免费下载畅易手机版APP ]

用户 正顶 **当前提问:广汽菲亚特防盗和启动机控制原理或

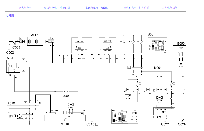
广汽菲亚特防盗和启动机控制原理或电路图

.尊敬的用户,欢迎你使用在线客服,你的问题客服人员已为你处理完毕,请下载附件,如有疑问,欢迎和我们联系!菲翔启动电路图.

附件:3323290309369.rar


用户 正顶 ***其他客服问题:
  更换防盗网关模块后怎么匹配.. 渝bx225荣威7502007-
  2016款帕萨特电路图.. 上海大众全新帕萨特16年-2.0
  发动机电路图.. 一汽奥迪A4L2014/12- CUJA[LFV3A28KXE** ]
  雪佛兰新景程1.8L发动机冷却风扇开启温度.. 雪佛兰新景程10年-2HO 1.8L[LSGVA54R9A** ]
  长城哈弗CUV 2.5TCI 发动机大修数据资料.. 长城哈弗CUV2005-CW2.5TCI[LGWEFCA59A** ]
  2011年金杯海狮空调系统电路图.. 华晨金杯海狮2011-4RB2[LSYHKAAF0B** ]
以下是广汽菲亚特相关车型的客服问题,希望对您有帮助
 广汽菲亚特菲翔D302CAN总线星中心安装位置..广汽菲亚特菲翔 2012 343A0027 [LWVAA2586C**]
 2016年自由光维修资料及线路图..广汽菲亚特自由光 2016 M096 [LWVCAF75XG**]
 查找发动机。变速箱。ABS之间的通信线..广汽菲亚特克莱斯勒吉普牌 自由侠 2016年7月 533A0027 [LWVDA2046G**]
 jeep自由光 发动机系统电路图 以及维修手册..广汽菲亚特克莱斯勒GFA6460CGCB 2017年4月份 M096 [LWVCAF788H**]
 吉普自由侠的保险丝标注和说明..广汽菲亚特克莱斯勒自由侠 16 523A0027 [LWVDA2045G**]
 广汽菲亚特双离合更换后怎么调整 刚才你们..广汽菲亚特飞翔 2014.11 343B0027 [LWVAB1565E**]
 正时皮带套件更换步骤..广汽菲亚特菲亚特 2015年4月 343B0027 [LWVAB1562F**]
 安全气囊针脚线路图..广汽菲亚特克里斯GFA6461CGCA 2017 M095 [LWVCAE781H**]
 维修手册,需要发动机大修..广汽菲亚特菲翔 12年 343B0027 [LWVAA1566C**]
 菲亚特致悦全车电路图..广汽菲亚特菲亚特致悦 2015年12月 343A0027 [LWVBA204XF**]
 波箱资料维修手册..广汽菲亚特菲翔 2013.04 343B0027 [LWVAA1567D**]
 广汽菲亚特菲翔变速箱电路图..广汽菲亚特菲翔 2012 1.4T

Copyright @ 2009 www.car388.com All rights reserved. 蜀ICP备12014226号-2 增值电信增值业务许可证:川B2-20190647 服务电话:028-87038205 87039205 87020205 川公网安备 51010502010015号 公司地址:成都市龙泉驿区经开区南二路309号 鼎峰动力港 企业办公总部基地 12栋
1.-.V25VHTML-2025-