[返回列表.]    [免费下载畅易手机版APP ]

用户 杨小 **当前提问:查个雨刮喷水电路图,平台上的没对

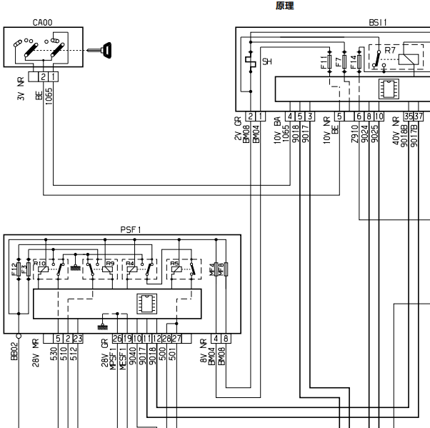
查个雨刮喷水电路图,平台上的没对上

.尊敬的用户,欢迎你使用在线客服,你的问题客服人员已为你处理完毕,请下载附件,如有疑问,欢迎和我们联系!.2017年东风雪铁龙C5 雨刮电路图

附件:52452905736752.zip


用户 杨小 ***其他客服问题:
  发动机大修扭矩,12缸的.. 大众汽车Touareg [途锐]6.0 手自一体 W12顶级型2008-CFR(6.0)[WVGAW67L38** ]
  这个车变速箱电脑在哪吗.. 道奇酷威2013-1[3C4PDCFB7D** ]
  机舱保险丝盒的插头的定义.. 克莱斯勒Grand Cherokee [大切诺基]3.0TD 手自一体 精英导航版2015-M(3.0)[1C4RJFBM1F** ]
  找一下这个遥控器接收天线位置.. 北京奔驰E 2302.5 手自一体 优雅型2007-272 922(2.5)[LE4FTM8A57** ]
  风扇散热器,和Lin线的电路图.. 华晨宝马525Li2.0T 手自一体 M运动套装2024-B48B20R(2.0)[LBV11FM02R** ]
  刹车灯电路图.. 保时捷卡曼2006-M9720[WP0AA29858** ]
以下是神龙汽车相关车型的客服问题,希望对您有帮助
 查一下发动机电脑线路图..神龙汽车全新爱丽舍1.6 手自一体 时尚型 2017 NFP(1.6 [LDC643T49G**]
 行李箱内部开启按钮针脚 ..神龙汽车3081.6 手自一体 豪华版 2016 NFP(1.6 [LDC983T44H**]
 喇叭电路图。..神龙汽车5081.6THP 手自一体 致逸版 2015 10UF01 5G02(1.6) [LDCB13246F**]
 雪铁龙C5刹车片报警线路图 ..神龙汽车C52.3 手自一体 尊驭型 2012 PSA 3FY 10XP01(2.3) [LDCA13R4xB**]
 10年雪铁龙C5安全气囊配件定义..神龙汽车C52.3 手自一体 尊雅型导航版 2010 PSA 3FY 10XP01(2.3) [LDCA13R449**]
 中控盒控制模块,电路图..神龙汽车爱丽舍-三厢1.6 手动 科技型 2011 N6A 10FX3A PSA(1.6) [LDC703L20B**]
 仪表电路图..神龙汽车富康e爱丽舍 2021/2022 . [.**]
 ABS 再循环泵电路图..神龙汽车307-两厢1.6 手自一体 豪华版 2010 N6A 10XA3A PSA(1.6) [LDC931L3XA**]
 室外温度传感器线路图,平台上的没有编号不..神龙汽车C51.6THP 手自一体 尊享型 2014 10UF01 5G02(1.6) [LDCA13249E**]
 电脑针脚图,高压包针脚图,喷油嘴线路图,..神龙汽车全新爱丽舍1.6 手动 舒适型 2016 NFP(1.6) [LDC643T21G**]
 发动机维修资料..神龙汽车C3-XR1.2THP 双离合 230THP ORIGINS百年臻享版 2019 HN05(1.2) [LDC661V40K**]
 帮我找下这个车的燃油泵线路图..神龙汽车30082.0 手自一体 经典版 2015 PSA RFN 10LH3X(2.0 [LDCT81X41F**]

Copyright @ 2009 www.car388.com All rights reserved. 蜀ICP备12014226号-2 增值电信增值业务许可证:川B2-20190647 服务电话:028-87038205 87039205 87020205 川公网安备 51010502010015号 公司地址:成都市龙泉驿区经开区南二路309号 鼎峰动力港 企业办公总部基地 12栋
2026-01-20.-.V28**