[返回列表.]    [免费下载畅易手机版APP ]

用户 18687999 **当前提问:电源变压器模块线路图

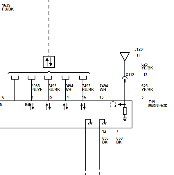
电源变压器模块线路图

.尊敬的用户,欢迎你使用在线客服,你需要的资料在《畅易汽车维修技术支持平台》是有的,请直接登陆查询!查询方法:资料库 -> 国内厂家 -> 上海凯迪拉克-XT5-2018[ [ 专修手册 VIP] ] -> 发动机/推进系统 -> 12伏启动和充电 -> 示意图和布线图 -> Figure5:停车/起步系统(KL9).2018年上海凯迪拉克-XT5电源变压器电路图


用户 18687999 ***其他客服问题:
  天窗模块电机电路图.. 路虎汽车Discovery3 [发现3]4.4 手自一体 V8 HSE2005-448PN(4.4)[SALAN25469** ]
  主驾安全带线路图.. 大众汽车Phaeton [辉腾]3.6 手自一体 V6 5座加长舒适版2011-CMV(3.6)[WVWFV73D1C** ]
  后部保险丝盒的线路图.. 长城汽车大狗1.5T 双离合 两驱马犬追猎版2022-GW4B15L(1.5)[LGWEF5A53P** ]
  远程监控模块安装在哪里?.. 北汽新能源EC180灵动版2017-YS15H001(电动机)(电动)[LNBSCB3F1H** ]
  LGWEF4A50FF261728进气风门位置传感器.. 长城汽车H61.5T 手动 升级版两驱尊贵型2015-GW4G15B(1.5)[LGWEF4A50F** ]
  后盖控制单元不可信信号 00317.. 大众汽车Magotan Alltrack [迈腾 旅行车]2.0TSI 双离合 四驱舒适型2012-CCZ(2.0)[WVWTR13C0F** ]
以下是上汽通用相关车型的客服问题,希望对您有帮助
 变速箱离合器电机在哪里 哪个位置..上汽通用五菱5101.5 序列变速 时尚型 2017 L2B(1.5) [LZWADAGA3J**]
 这辆车的维修手册或者是电路图,有吗?..上汽通用CT52.0T 手自一体 28T 时尚型 2020 LSY(2.0) [LSGDS53L0L**]
 13年别克gl8..上汽通用gl8 13 le5 [LSGUD84X3D**]
 查下五菱冰宝的Can通讯电路图..上汽通用五菱电卡尊享型国轩40.55kWh 2022 TZ180XSIN102(电动机)(电动) [HGXGACA07N**]
 座椅通风加热的电路图..上汽通用GL8 陆尚1.5T 自动 尊享版7座 2025 LAX(1.5 [LSGUV8N59S**]
 五菱宏光S雨刷器管脚电路图..上汽通用五菱五菱宏光S 2017/12 L2B [BLZWADAGA7**]
 气囊电脑针脚定义和电路图..上汽通用五菱7301.8 序列变速 舒适型7座 2016 LJ479QNE2(1.8 [LZWADAGB1G**]
 里程速传感器到仪表电路图..上汽通用五菱杨光 2009 LJ465Q3 [LZWACAGA99**]
 变速箱电脑电路图或者端子图..上汽通用GL8 ES 陆尊 48V2.0T 手自一体 653T 舒适型 2022 LXH(2.0 [LSGUL83L3N**]
 排气相位传感器哪个位置..上汽通用科沃兹1.5 手动 LS 欣享版 2016 L2B(1.5) [LSGKB52H8H**]
 发动机启停控制系统电路及维修说明..上汽通用别克昂科威 2016 LTG [LSGXE83L3G**]
 请提供发动机电脑控制电路图 电脑板型号MT80..上汽通用雪佛兰乐风1.4手动 2008款 L95 [LSGTC52M28**]

Copyright @ 2009 www.car388.com All rights reserved. 蜀ICP备12014226号-2 增值电信增值业务许可证:川B2-20190647 服务电话:028-87038205 87039205 87020205 川公网安备 51010502010015号 公司地址:成都市龙泉驿区经开区南二路309号 鼎峰动力港 企业办公总部基地 12栋
2026-01-21.-.V28**