[返回列表.]    [免费下载畅易手机版APP ]

用户 大连 **当前提问:总线端15继电器线路和位置

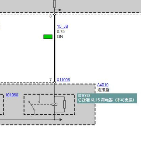
总线端15继电器线路和位置

.尊敬的用户,欢迎你使用在线客服,你的问题客服人员已为你处理完毕,请下载附件,如有疑问,欢迎和我们联系!.2011年宝马Cooper S端子15继电器电路图

附件:60272907849073.rar


用户 大连 ***其他客服问题:
  14年铃木利亚纳防盗电路图.. 铃木CH7143DD222014年1月-K14B-G[LVFAC2AD2E** ]
  大灯控制线路和控制盒15942613243.. 奔驰汽车GL 350 CDI 4MATIC [美规]3.0T 手自一体 美规版2013-642 826(3.0)[4JGDF2EE7D** ]
  这车的防盗警报器电路图.. 克莱斯勒漫步者07-2.4[1A8FYB8919** ]
  奥迪A8L4.0T发动机正时图.. 奥迪A8L13年-4.0[WAUR2B4H8D** ]
  1A8FYB8919T536767这车的进入模块位置和电路图.. 克莱斯勒漫步者2007-2.4[1A8FYB8919** ]
  电动车窗电路图.. 丰田普拉多400008-2TRFE16气门,顶置双凸轮轴(DOHC),电控燃油喷射(EFI)[JTEBL29J08** ]
以下是宝马汽车相关车型的客服问题,希望对您有帮助
 节气门的电路图,这个车两个节气门,然后还..宝马汽车M54.4T 双离合 2012 S63B44B(4.4) [WBSFV9101C**]
 电路图..宝马汽车Cooper Countryman1.6 手自一体 Excitement 2011 N16B16A(1.6 [WMWZB3107C**]
 帮我发一下电子扇控制电路..宝马汽车 x5 2016 N20B20A [MMFLS4405J**]
 发动机电脑电路图,CAN线通讯电路图..宝马汽车740Li3.0T 手自一体 领先型 2009 N54B30A(3.0) [WBAKB41059**]
 CAS3针脚图..宝马汽车X1 xDrive28i2.0T 手自一体 2012 N20B20A(2.0) [WBAVM1106C**]
 音响保险位置..宝马汽车X5 3.0si3.0 手自一体 2007 N52B30BF(3.0) [WBAFE410X7**]
 需要空调系统的维修手册和电路图,和发动机..宝马汽车X5 xDrive35i3.0T 手自一体 M运动型 2011 N55B30A(3.0) [WBAZV4100B**]
 波箱电脑针脚定义..宝马汽车740Li3.0T 手自一体 豪华型 2009 N54B30A(3.0) [WBAKB4100B**]
 空气悬挂维修手册..宝马汽车740Li3.0T 手自一体 施坦威限量版 2011 N54B30A(3.0) [WBAKB4107B**]
 敞篷电路图还要敞篷传感器的位置图。可收折..宝马汽车Z4 sDrive23i2.5 手自一体 领先型 2009 N52B25BF(2.5) [WBALM3103B**]
 x1426插头电路图..宝马汽车325i Convertible [325i 敞篷轿跑车]2.5 手自一体 2011 N52B25BF(2.5) [WBADW3104C**]
 燃油模块线路图..宝马汽车425i Convertible [425i 敞篷轿跑车]2.0T 手自一体 M运动套装 2017 B48B20A(2.0) [WBA4V1109J**]

Copyright @ 2009 www.car388.com All rights reserved. 蜀ICP备12014226号-2 增值电信增值业务许可证:川B2-20190647 服务电话:028-87038205 87039205 87020205 川公网安备 51010502010015号 公司地址:成都市龙泉驿区经开区南二路309号 鼎峰动力港 企业办公总部基地 12栋
2026-02-13.-.V28**