[返回列表.]    [免费下载畅易手机版APP ]

用户 13775988 **当前提问:节气门线路

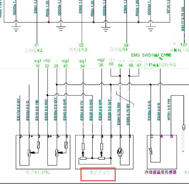
节气门线路

.尊敬的用户,欢迎你使用在线客服,你的问题客服人员已为你处理完毕,请下载附件,如有疑问,欢迎和我们联系!.2021年金杯金海狮发动机节气门电路图

附件:82652922975438.rar


用户 13775988 ***其他客服问题:
  B0096:93-AF故障码资料,里面的右侧乘员保护系.. 福特福克斯2012-GDIQ0[LVSHCAMC1D** ]
  驾驶舱里边的保险丝说明,和平台上的有偏差.. 现代索纳塔2014-G4NA[LBEYFAKD6F** ]
  发动机机舱打铁点的线路图.. 别克英朗2010-1[1** ]
  变速箱电脑的针脚,81针的.. 海马汽车8S1.6TGDI 手自一体 炫版2019-HMA GA16-YF(1.6)[LMVHFEFDXK** ]
  众泰仪表针脚定义发一个.. 众泰汽车T7001.8T 双离合 豪华型2017-TN4G18T(1.8)[LJ8F7D5GXH** ]
以下是华晨鑫源相关车型的客服问题,希望对您有帮助
 麻烦帮我看下 节气门油门踏板电路图..华晨鑫源T321.5 手动 2019 SWC15M(1.5) [LM6LKL2F7K**]
 求华晨鑫源x30l鼓风机线路图..华晨鑫源x30l ev 2019 tz205xsfdm30c [la9bbjbr4k**]
 华晨鑫源纯电X30L 电机控制器通讯电路图 19年..华晨鑫源X30L 2019 纯电 [LA9CKD2X2H**]
 充电部分电路图..华晨鑫源X30L EV标准型 2017 TM4018(电动机)(电动) [LA9BCJBX2J**]
 发动机电控模块控制电路图,电动助力转向控..华晨鑫源汽油小货车 2019年 SWC15M [LM6LKK3F9K**]
 斯威G05全车线路图..华晨鑫源重庆汽车有限公司G05 2019-12 SW15T [LM6AABAP9K**]
 麻烦发一份16年斯威X7的车身电脑26+22针的针脚..华晨鑫源斯威X7 16年8月 DLEG18 [LM6AFAAHXG**]
 仪表故障代码解析。128和124..华晨鑫源新海狮EV舒适型 2023 TZ180XS000(电动机)(电动) [LM6BFBBXXN**]
 后电机控制器原理图,19年X30EV维修手册..华晨鑫源X30EV 2019 TZ205x [LA9BBJBR0K**]
 没有维修手册..华晨鑫源金海狮 2021 swd15f [LM6AAABF1N**]
 鑫源t50ev鼓风机电阻在哪里..华晨鑫源T50EV创业型货车 2021 TZ154XS309(电动机)(电动) [LA9DKC3X1N**]
 三电部分的电路图..华晨鑫源X30L 2022 1 [1**]

Copyright @ 2009 www.car388.com All rights reserved. 蜀ICP备12014226号-2 增值电信增值业务许可证:川B2-20190647 服务电话:028-87038205 87039205 87020205 川公网安备 51010502010015号 公司地址:成都市龙泉驿区经开区南二路309号 鼎峰动力港 企业办公总部基地 12栋
2026-01-20.-.V28**