[返回列表.]    [免费下载畅易手机版APP ]

用户 13148888 **当前提问:查下中控电路图,发我邮箱也可以,13

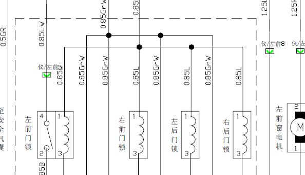
查下中控电路图,发我邮箱也可以,1351910244@qq.com

.尊敬的用户,欢迎你使用在线客服,你的问题客服人员已为你处理完毕,请下载附件,如有疑问,欢迎和我们联系!2007年奇瑞优雅中控电路图资料.

附件:35612925171796.zip


用户 13148888 ***其他客服问题:
  酷路泽空调系统维修手册.. 丰田酷路泽2022-4.0[JTMABCBJ2N** ]
  2016年东南V5菱致plus空调面板电路图,详细的.. 东南汽车2016年菱至v5PLUS2016-1.5t[LDNM45GZ6G** ]
  查一下标致408发动机电脑针脚图。1.6T,13519102.. 神龙汽车4081.6THP 手自一体 至尊版2014-10UF01 5G02(1.6[LDC973247E** ]
  长安CS55EV混动,全车,详细电路图(没有ev,.. 长安cs55EV混动2020-ev[LS6A3E0M8L** ]
  08年利亚纳电路图.. 昌河铃木利亚纳利亚纳2008-1.6[LVFAC2A098** ]
  长安之星油泵电路图.. 长安之星长安之星2013-1.2[LS4AAB3R3D** ]
以下是奇瑞汽车相关车型的客服问题,希望对您有帮助
 奇瑞瑞虎7手动挡整车电路图..奇瑞汽车奇瑞瑞虎7 2017 SQRE4T15 [LVVDB11B0H**]
 后视镜拆装资料..奇瑞汽车瑞虎8 PLUS 2020 SQRE4T15C [.**]
 奇瑞开瑞17年的电路图..奇瑞汽车股份有限公司开瑞K60 17年4月 SQRD4G15 [LVTDB11BXH**]
 定速巡航 线路..奇瑞汽车艾瑞泽51.5 手动 领潮版 2017 SQRE4G15B(1.5) [LVVDC11B1H**]
 发动机针脚资料..奇瑞汽车旗云5(Cowin 5) 2012 SQR484F [.**]
 变速箱电路图..奇瑞汽车E51.8 无级 运动版 2012 SQR481FC(1.8) [LVVDC21B8C**]
 全车维修手册ss..奇瑞汽车新风云2(Fulwin 2) 2009/2010/2011 [ **]
 正时没有..奇瑞汽车QQ30.8 手动 限量版 2009 SQR372(0.8) [LVVDB12A19**]
 奇数档输入轴转速传感器的位置图..奇瑞汽车旅行者2.0T 双离合 四驱穿越PRO 2023 SQRF4J20(2.0) [HJRPBGJB1R**]
 空调系统电路图主要是冷热风门电机的,176623..奇瑞汽车X70M1.5T 手动 伙伴型(改款) 2020 SQRE4T15C(1.5) [LVUDB11B3L**]
 24年星纪元原车功放喇叭电路图线或是线位图..奇瑞汽车星纪元 ET625 Pro 2024 TZ220XSG05(电动机)(电动 [LNNBBDDX7R**]
 前悬架位置图..奇瑞汽车瑞虎8 PRO 2022/2023 SQRF4J16 [.**]

Copyright @ 2009 www.car388.com All rights reserved. 蜀ICP备12014226号-2 增值电信增值业务许可证:川B2-20190647 服务电话:028-87038205 87039205 87020205 川公网安备 51010502010015号 公司地址:成都市龙泉驿区经开区南二路309号 鼎峰动力港 企业办公总部基地 12栋
2026-02-27.-.V28**