[返回列表.]    [免费下载畅易手机版APP ]

用户 **当前提问:发动机系统电路图

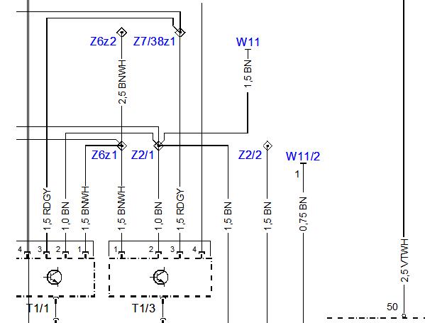
发动机系统电路图

.尊敬的用户,欢迎你使用在线客服,你的问题客服人员已为你处理完毕,请下载附件,如有疑问,欢迎和我们联系!.2012年奔驰S350L 发动机电路图

附件:95592942723215.zip


用户 ***其他客服问题:
  我需要奔驰GL450的座椅加热模块位置和线路图.. 奔驰GL4502008-273 923[4JGBF71E08** ]
  节气门电路图和P0121故障码资料.. 丰田汽车Land Cruiser [兰德酷路泽]4.0 手自一体 4000 中东版2012-1GR-FE(4.0)[JTMHU09J6E** ]
  麻烦找下启动电路.. 中兴汽车威虎2.8T 手动 两驱豪华型大双2022-JE493ZLQ6E(2.8[LTA1222L7N** ]
  Dcdc控制电路图.. 长安长行EV2022-纯电[LS6C3EOC2N** ]
  启动 无钥匙进入 网络拓扑图的手册.. 英菲尼迪G372013-1[JNKCV61E8D** ]
  中控系统电路图.. 吉普牧马人2017-3.6[1C4BJWFG9H** ]
以下是奔驰汽车相关车型的客服问题,希望对您有帮助
 音响电路图和针灸图..奔驰汽车AMG GT 50 48V3.0T 手自一体 2019 256 930(3.0) [WDD7X5JB8K**]
 帮我查下这款车的油泵继电器位置,具体是哪..奔驰汽车S 350 L3.5 手自一体 2007 272 965(3.5) [WDDNG56X07**]
 正时资料..奔驰汽车GLE 400 4MATIC3.0T 手自一体 2016 276 821(3.0) [WDCDA5GB1G**]
 音响电路图和针脚图..奔驰汽车GLC 43 AMG 4MATIC3.0T 手自一体 2017 276 823(3.0) [WDC0G6EBXJ**]
 发动机手册..奔驰汽车S 600 L5.5T 手自一体 2008 275 953(5.5) [WDDNG76X08**]
 全車雷達控制模組位置圖..奔驰汽车E 3002.0T 手自一体 运动型 2019 274 920(2.0) [wddzf4jb1h**]
 查询一下这个车的原厂用油规格..奔驰汽车Fortwo Coupe1.0T 序列变速 激情领航版 2012 3B21(132 930)(1.0) [WMEEJ3CA1B**]
 需要这个车的大灯模块电路图和大灯模块阵脚..奔驰汽车S 480 4MATIC 48V3.0T 手自一体 2021 256 930(3.0 [W1K6X6BB8M**]
 N97的安装位置..奔驰汽车CLS 3203.0T 手自一体 逸彩版 2017 276 820(3.0 [WDDLJ6CB7H**]
 找一下发动机电路图,还有车载网络的电路图..奔驰汽车ML 350 4MATIC3.5 手自一体 运动型 2006 272 967(3.5) [4JGBB86EX6**]
 电动尾门开关电路图..奔驰汽车GL 350 CDI BlueTEC 4MATIC [美规]3.0T 自动 美规版 2008 642 820(3.0 [4JGBF2FE7B**]
 电脑板供保险盒供电..奔驰汽车S 5505.5 手自一体 LWB AMG运动版 2006 273 961(5.5) [WDDNG71X86**]

Copyright @ 2009 www.car388.com All rights reserved. 蜀ICP备12014226号-2 增值电信增值业务许可证:川B2-20190647 服务电话:028-87038205 87039205 87020205 川公网安备 51010502010015号 公司地址:成都市龙泉驿区经开区南二路309号 鼎峰动力港 企业办公总部基地 12栋
2026-04-19.-.V28**