[返回列表.]    [免费下载畅易手机版APP ]

用户 福运 **当前提问:09款沃尔沃发动机电脑端子图

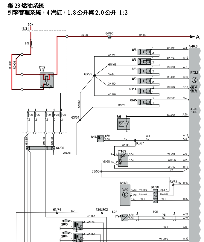
09款沃尔沃发动机电脑端子图

.尊敬的用户,欢迎你使用在线客服,非常抱歉,富豪的原版资料系统没有端子图,请参考发动机线路图,请下载附件,如有疑问,欢迎和我们联系!沃尔沃S40发动机电路图.

附件:7684191565810.rar


用户 福运 ***其他客服问题:
  湿度传感器电路图.. 现代维拉克斯20007-g6da[kmhnu81c88** ]
  大灯控制线路.. 广州本田雅阁2004-K24A4[LHGCM56634** ]
  发动机室接线盒总成模块的针脚定义以及线路.. 雷克萨斯ES2502012-2AR[JTHBJ1GG9C** ]
  丰田陆地巡洋舰 一键启动电路图.. 国外陆地巡洋舰2016-3UR[JTMHY05J4H** ]
  长安睿骋1.8T自动档电路图.. 长安汽车SC7186A2013-JL486ZQ2[LS5A2AEW1D** ]
  04年福特翼虎的所有碰撞传感器位置图.. 福特翼虎2004.05-AJ[WF0YU93115** ]
以下是沃尔沃S40相关车型的客服问题,希望对您有帮助
 沃尔沃S40发动机正时图..沃尔沃S40 2006 B5244S4 [YV1MS38466**]
 您好,我需要14年奔驰S400L全车线路图..奔驰S400L 14年 276824 [WDDUG6FB8F**]
 故障码 ECM 640f..沃尔沃S40 2008 B5244S [LVSHEFEK78**]
 volvo s40正时皮带和发动机部分的资料 03SS..长安沃尔沃S40 2006 B5244S4 [LVSHEFEK56**]
 这是长安福特公司出的沃尔沃S40.需要发动机..沃尔沃S40 2009 CAF488Q3 [LVSHEFAC89**]
 维修手册 电子转向助力和空调的..沃尔沃S40 2010 B4204S3 [LVSHEFAC4A**]
 发动机控制系统.保险位置资料.如回复请打电..沃尔沃S40CAF7240A 2006.12 B5244S [LVSHEFEK86**]
 发动机系统供电及通讯,最好是全车电路图..长安沃尔沃S40 2009 2.0
 进气系统构造图..奔驰S400L 2013.10 276 824 [WDDUG6FB2E**]
 智能伺服模块线路图 驱动CAN..奔驰S400L 2010 272 974 [WDDNG9FB2B**]
 奔驰S400L凸轮轴正时齿螺栓力矩..戴姆勒S400L 13 276 824 [WDDUG6FB6E**]
 沃尔沃S40保养灯如何归零..长安沃尔沃S40 2008 S40

Copyright @ 2009 www.car388.com All rights reserved. 蜀ICP备12014226号-2 增值电信增值业务许可证:川B2-20190647 服务电话:028-87038205 87039205 87020205 川公网安备 51010502010015号 公司地址:成都市龙泉驿区经开区南二路309号 鼎峰动力港 企业办公总部基地 12栋
1.-.V25VHTML-2025-V18-11-5---2-