[返回列表.]    [免费下载畅易手机版APP ]

用户 liuqiang **当前提问:标致207两厢 发动机和仪表的通讯电路

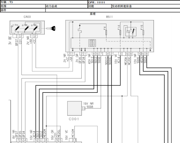
标致207两厢 发动机和仪表的通讯电路图

.尊敬的用户,欢迎你使用在线客服,你的问题客服人员已为你处理完毕,请下载附件,如有疑问,欢迎和我们联系!标致207 发动机、仪表相关电路.

附件:9092308912463.zip

发一份整车电路图

.尊敬的用户,欢迎你使用在线客服,你需要的资料在《畅易汽车维修技术支持平台》请参考08-11年的,请直接登陆查询!查询方法:国内汽车厂家 -> 东风标致 207 -> 2008-2011年 -> 线路图。09年标致207 发动机转速信息电路.


用户 liuqiang ***其他客服问题:
  逆变器电路图.. 起亚嘉华2016-2.2L[KNAMC81A1G** ]
  发动机维修手册.. 福特E3502014-TRITONV8[1FBSS3BL2D** ]
  P/N档锁止电池阀电路图.. 本田CRV2003-RD5[JHLRD58403** ]
  电路图.. 宾利慕尚2013-CKB[SCBBA63Y0D** ]
  天窗及后面中间车窗控制电路图.. 福特F1502011-6.2L[1FTFW1E69B** ]
  标致207仪表和BSI电路图.. 东风标致DC7146BBA2009-TU3AF[LDC611P279** ]
以下是东风标致相关车型的客服问题,希望对您有帮助
 变速箱ECU线路图几插件图..东风标致5008 2019 5G06 [LDCP21Z49K**]
 标志508可折叠反光镜电路图..东风标致508 11年 0050599 [LDCB13R42B**]
 灯光控制线路..东风标致206东风标致206 2005 N6A 10XA3A PSA
 东风标致207自动档1.6排量,倒车开关位置图..东风标致207 2011 N6A [LDC611L3XB**]
 帮我找一下标志508发动机变速箱ABS的电源打铁..东风标致508 2015.09 10UF01 5G02 [LDCB13245F**]
 发动机维修手册..东风标致408 2017 WFZ [LDC973Y49H**]
 东风标致307自动空调控制电路图..东风标致307 2004 PSA RFN 10LM47 [LDC913W3X4**]
 12年东风标致508低配电动倒车镜线路图..东风标致508 12年 2.0
 508发东机机舱尺寸..东风标致东风标致508 2011 psa 3fy 10xp01 [LDCB13R47B**]
 变速箱电路03SS..东风标致301 2013 1.6 VTi NFP [LDC633T34D**]
 东风标致307油门踏板电路图..东风标致307 2008 N6A.10XA3A [LDC931L399**]
 发动机电脑针脚图 资料库里没有这个发动机..东风标致标致206 06年 TU3AF

Copyright @ 2009 www.car388.com All rights reserved. 蜀ICP备12014226号-2 增值电信增值业务许可证:川B2-20190647 服务电话:028-87038205 87039205 87020205 川公网安备 51010502010015号 公司地址:成都市龙泉驿区经开区南二路309号 鼎峰动力港 企业办公总部基地 12栋
1.-.V25VHTML-2025-