[返回列表.]    [免费下载畅易手机版APP ]

用户 永丰 **当前提问:转向灯线路图

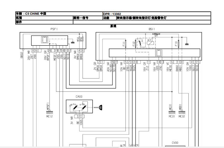
转向灯线路图

.尊敬的用户,欢迎你使用在线客服,你的问题客服人员已为你处理完毕,请下载附件,如有疑问,欢迎和我们联系!13年C5转向灯电路.

附件:6977320559594.zip

.尊敬的用户,欢迎您使用在线客服,您需要的资料已更新了全系统的电路图,请您直接进入畅易平台查询!查询方法:国内厂家 ->东风雪铁龙-C5-2013-2014[ 线路图 ].东风雪铁龙-C5-2013-2014[ 线路图 ]


用户 永丰 ***其他客服问题:
test:
  奔驰R350天窗线路图.. 奔驰R35008年-1[4JGCB56E78** ]
  比亚迪唐音响功放线路图.. 比亚迪唐2015-0
  发动机电路图.. 克莱斯勒300C2007-2.7排量[000** ]
  2001年奔驰E200空调系统线路图.. 奔驰E2002001-2.0
  ABS线路图(兰德酷路泽FZJ100).. 丰田兰德酷路泽2004-4.5
  奔驰S500底盘升降电路图.. 奔驰S50001-272[WDB2201751** ]
以下是雪铁龙相关车型的客服问题,希望对您有帮助
 需要发动机电路图,我这个驾校车,这车还有..雪铁龙爱丽舍三厢 2012 N6A 10FX3A PSA [LDC703L26C**]
 发动机电路图..雪铁龙富康 08款 0222787 [LDC131D228**]
 长城腾翼C50巡航系统无法使用,..长城牌C50 2012 GW4G15T [LGWEF3K54C**]
 全车维修手册SS..(国外)Citroen东风雪铁龙C5 2005/2006/2007/2008/2009 [ **]
 给我一份06年爱丽舍的变速箱电脑 的线路图和..雪铁龙爱丽舍 2006 AL4 [LDC733L366**]
 油泵电路图..雪铁龙C4毕加索 2009 RFJ [VF7UARFJ69**]
 风扇线路图..神龙汽车C51.6THP 手自一体 尊享型 2014 10UF01 5G02(1.6) [LDCA13248F**]
 空调冷暖风伺服电机控制电路图..雪铁龙毕加索 2012 RFJ [VF7UARFJ3C**]
 双燃料 发动机电路图..雪铁龙爱丽舍 09年
 你好,我是想要找此车的液压可控悬挂控制部..进口雪铁龙C5 07 不清楚
 你们提供的09款C5的电路图里面没有悬挂部分..进口雪铁龙C5 2007 不清楚
 曲轴位置图..雪铁龙凯旋 2006 PSA RFH 10LH3X [LDCC43X276**]

Copyright @ 2009 www.car388.com All rights reserved. 蜀ICP备12014226号-2 增值电信增值业务许可证:川B2-20190647 服务电话:028-87038205 87039205 87020205 川公网安备 51010502010015号 公司地址:成都市龙泉驿区经开区南二路309号 鼎峰动力港 企业办公总部基地 12栋
2025-01-23.-.V25VHTML-2025-