[返回列表.]    [免费下载畅易手机版APP ]

用户 wgywangg **当前提问:麻烦帮我找一下东风标致307两厢的ABS

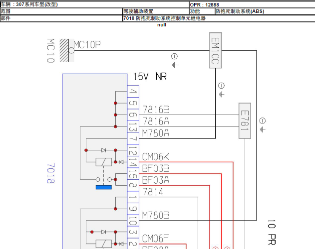
麻烦帮我找一下东风标致307两厢的ABS泵的电路图,资料上找的感觉有点不对

.尊敬的用户您好,资料库里没有找到该车型ABS泵相关电路,客服人员已为你处理了ABS相关电路,请下载附件参考,如有疑问,欢迎和我们联系!12年标致307 ABS电路.

附件:8649337958313.zip

.尊敬的用户,欢迎您使用在线客服,您需要的资料已更新了全系统的电路图和维修手册,请您直接进入畅易平台查询!查询方法:国内厂家->东风标致-307-2012[ 线路图 ].2012年标致307电路图.


用户 wgywangg ***其他客服问题:
test:
  帮我找下长城风俊3的发动机机械部分的标准.. 长城风俊32010-GW2.8TDI-2[LGWCBC197A** ]
  麻烦帮我找下凯雷德HYBRID维修手册.. 凯迪拉克凯雷德HYBRID2009-6.2L[1GYFK43569** ]
  麻烦帮我找下标致307的停车辅助系统的电路图.. 东风标致3072012-N6A 10XA3A PSA[LDC933L3XC** ]
  麻烦帮我找下比亚迪G6的高配音像和信息显示.. 比亚迪G62012-BYD476ZQA[LGXC16CFXC** ]
以下是东风标致相关车型的客服问题,希望对您有帮助
 电子手刹模块位置..东风标致5008 2018年3月 10UF516G01 [LDCP21541J**]
 标志307CC 档位锁止线路图..标志307CC 05
 标致遥控钥匙电池更换..标致307 全部年份 全系列 [全系列**]
 abS端子定义及线路图..标志307 2007 1.6
 P1694受控发动机启动和停止(DAMP)电路对地短..标志307 200805 N6A10XA3APSA [LDC931L258**]
 要18年标致308电路图与维修手册..东风标致308 201801 DC7169LSAB [LDC983T41J**]
 发动机电路图..标志307 2006 1.6 [LDC923L386**]
 2015款 标致408电路图.目前资料库里都对不到。..东风标致408 2015 T93 [LDC973Y44F**]
 求12款标致307 ABS线路图,平台上面的只有简图..标致307 2012 1.6
 仪表线路图..东风标致307 2006 N6A10XA3APSA [LDC913L326**]
 标志307ABS电路图..标致307 2008 不知道 [不知道**]
 横向加速度传感器安装位置..东风标致408 2013 2.0 [LDC943X45D**]

Copyright @ 2009 www.car388.com All rights reserved. 蜀ICP备12014226号-2 增值电信增值业务许可证:川B2-20190647 服务电话:028-87038205 87039205 87020205 川公网安备 51010502010015号 公司地址:成都市龙泉驿区经开区南二路309号 鼎峰动力港 企业办公总部基地 12栋
2025-01-18.-.V25VHTML-2025-