[返回列表.]    [免费下载畅易手机版APP ]

用户 辉达 **当前提问:发动机电路图

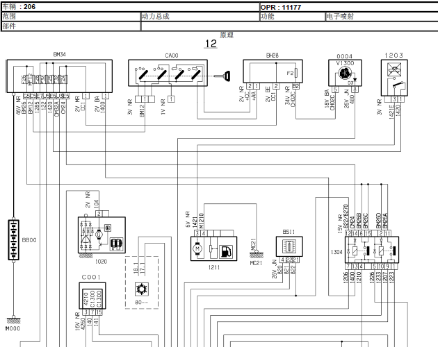
发动机电路图

.尊敬的用户,欢迎你使用在线客服,你的问题客服人员已为你处理完毕,请下载附件,如有疑问,欢迎和我们联系!07年标致206发动机电路图.

附件:3548304948617.zip

.尊敬的用户,欢迎您使用在线客服,您需要的资料已更新了全系统的电路图,请您直接进入畅易平台查询!查询方法; 国内厂家-> 东风标致-206-2006-2011[ 线路图 ]..2006-2011年东风标致206电路图


用户 辉达 ***其他客服问题:
test:
  空调电路图.. 江铃凯威2010-CY4D115[LEFAEDR58A** ]
  现代朗动行李箱继电器在哪个位置.. 现代朗动2014-EB622131[LBEMDAFC1E** ]
  奥迪A6发动机型号BND,,2.5柴油发动机正时资料.. 奥迪A62004-BND[LFVBA44B44** ]
  防盗。中控电路图.. 东风本田CRV07-K24Z[LVHR486175** ]
  普力马雨刷电路图.. 海南马自达HMC6446F4M02013-HM479Q-A[LH16CKH01D** ]
  一汽奔腾B50转向灯电路图.. 中国第一汽车集团公司奔腾B502015-BWH[LFP83ACC8F** ]
以下是东风标致相关车型的客服问题,希望对您有帮助
 发动机电路图01SS..标致206 07 TU3AF [LDC611P237**]
 维修手册和电路图..东风标致408 2011 PSA RFN 10LH [LDC943X35B**]
 全车线路图..东风标致2008标致2008 DC6422LLBA 2014 NFP 1.6L [LDC671T31E**]
 15年标致301发动机阵脚图..东风标致标致301 15 NFP [LDC633T24F**]
 不点火 不喷油..东风标致307 2006年12月 PSA.REN.丨10LH3X [LDC923Ⅹ2**]
 进口标志206CC发动机电脑电路图..进口标志206CC 2006 CM3 [VF32DNFU56**]
 01年标致206CC发动机电脑针脚图,电路图..标致206cc 2001 1。6 [VF32DFUR1W**]
 16年标致308仪表端子26针电路图,急急急..东风标致308 16 1.6
 自动变速箱换油资料..东风标致508 12年 156542 [LDCB13R46C**]
 2016年标致3081,2T发动机正时图..东风标致308 2016 HN03 [LDC983445G**]
 发动机电脑端子图..东风标致408 15款 HN03 [LDC973441G**]
 仪表盘电路图,找不到仪表的图..东风标致2008 17 1.5 [LGWEF4A5XG**]

Copyright @ 2009 www.car388.com All rights reserved. 蜀ICP备12014226号-2 增值电信增值业务许可证:川B2-20190647 服务电话:028-87038205 87039205 87020205 川公网安备 51010502010015号 公司地址:成都市龙泉驿区经开区南二路309号 鼎峰动力港 企业办公总部基地 12栋
2025-01-18.-.V25VHTML-2025-V18-11-5---2-