[返回列表.]    [免费下载畅易手机版APP ]

用户 马立 **当前提问:欧宝发动机控制电路图

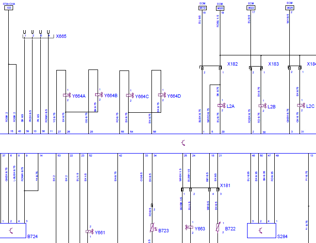
欧宝发动机控制电路图

.尊敬的用户,欢迎你使用在线客服,你的问题客服人员已为你处理完毕,请下载附件,如有疑问,欢迎和我们联系!欧宝雅特发动机电路图.

附件:7426316618995.zip


用户 马立 ***其他客服问题:
test:
  捷豹XF室外温度传感器位置.. 捷豹XF2014-306PS
  油泵保险位置.. 保时捷帕拉梅拉-
  17款马自达昂克赛拉保养复位.. 马自达昂科斯拉2017-1111
  10年郑州日产瑞琪皮卡空调线路图.. 日产郑州日产2010-ZN1022U2X[LJNTFU2X3A** ]
  机油换后如何复位.. 一汽马自达马62014-2.0
  12年沃尔沃XC60正时 5缸.. 沃尔沃XC602012-B4204T7[111** ]
以下是欧宝相关车型的客服问题,希望对您有帮助
 请找下雅特的遥控防盗设置s..欧宝雅特(Astra)H 1.6 16V(Z16LET) 2006-2011
 保险盒保险丝说明 03SS..欧宝赛飞利 2010 Z18XEP [WOLAH9218A**]
 网络拓扑图和全车电路图..欧宝安德拉 2012 le9 [W0LLJ6E04C**]
 欧宝安德拉 ABS线路图 和制动压力传感器2位置..欧宝安德拉 2012 不知道 [W0LLB6E00C**]
 09年欧宝雅特发动机电脑端子图..欧宝雅特 2009 Z18XER [WOLAH8216A**]
 发动机电控系统电路图..欧宝威达 2003 11111 [WOL0ZCF693**]
 13年欧宝安德拉发电机的维修手册..欧宝安德拉 2013 不清楚,是4缸的 [WOLLJ6E00C**]
 刹车开关电路图..欧宝赛飞利 2006 Z18 XE
 发动机和防盗的线路图..欧宝雅特 2007 1.8 [W0LAH24137**]
 发动机电脑版针脚图 73脚加73脚 发动机控制电..欧宝Antara安德拉 2011 2.4L LE5 [WOLLJ6E11B**]
 倒车雷达模块安装位置,维修手册,电路图..欧宝雅特、敞篷版 2008 Z18XER [WOLAH34188**]
 10年欧宝安德拉雨刮喷水线路图,1301316329发到..欧宝安德拉 2010 Z24SED [W0LLA63T4A**]

Copyright @ 2009 www.car388.com All rights reserved. 蜀ICP备12014226号-2 增值电信增值业务许可证:川B2-20190647 服务电话:028-87038205 87039205 87020205 川公网安备 51010502010015号 公司地址:成都市龙泉驿区经开区南二路309号 鼎峰动力港 企业办公总部基地 12栋
2025-01-18.-.V25VHTML-2025-