[返回列表.]    [免费下载畅易手机版APP ]

用户 13966774 **当前提问:宝马745LI保险系盒资料

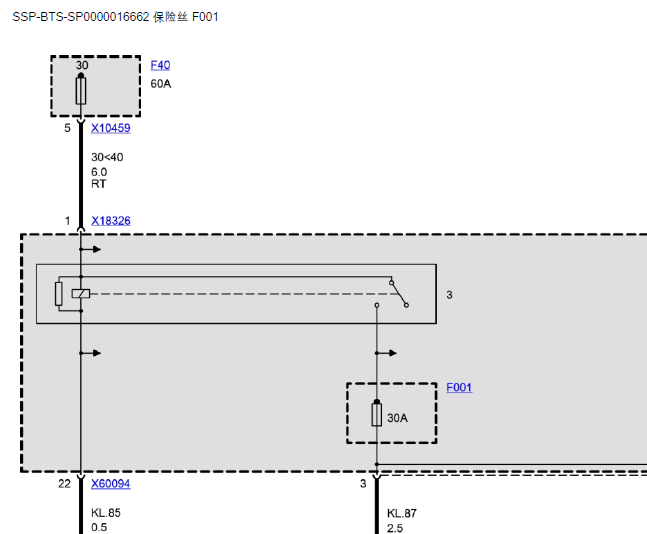
宝马745LI保险系盒资料

.尊敬的用户,欢迎你使用在线客服,你的问题客服人员已为你处理完毕,请下载附件,如有疑问,欢迎和我们联系!745LI保险丝电路图.

附件:4859356297331.rar

谢谢已评价:5星好评


用户 13966774 ***其他客服问题:
test:
  广汽菲亚特的保险丝说明书.. 广汽菲亚特广汽菲亚特2013-1.4
  奥迪Q5的起动机拆卸图.. 奥迪Q5奥迪Q52011-2.0T
  宝马745的水箱风扇的维修资料 .. 宝马745LI2002-745
  塞纳2.0L 加油门没有反映、用431电脑检测,发.. 雪铁龙塞纳2003-PSA RFN 10LH46
以下是宝马相关车型的客服问题,希望对您有帮助
 找下变速箱针脚图..宝马320i 2008 N46B20 [LBVPG96059**]
 2017年宝马B48缸盖螺丝扭矩..宝马宝马320li 2017 B48
 室外温度传感器位置图..宝马528 17年 XD
 活动顶蓬及行李箱锁电路图及维修资料 01ss..宝马630i 2005 N52 [WBAEK31065**]
 维修手册 元件模块位置..宝马740LI 2006 N62B40A [WBAHN61076**]
 发动机电脑和ABS电路图,针脚图和针脚定义..宝马330i 2007 N52B30BF [WBAWL51088**]
 宝马迷你氧传感器线路图..宝马迷你 2010 N12B16BA [WMWMF3105A**]
 宝马525怎么分解前排座椅主动安全头枕换里面..宝马BMW7201LL(BMW525Li) 2013.7 N20B20C [LBVCU3100D**]
 请提供12年宝马X5发动机电控系统维修资料..宝马X5 xDrive35i ZV41 2012/02 N55B30A [WBAZV4104C**]
 变速箱维修手册..宝马X3 10年 N52 [WBAPC7109A**]
 电子手刹电路图..宝马X5 2012 N55B30A [5UXZV4C58D**]
 04年宝马745Li(ABS和发动机)电路图..宝马745Li 2003.2.13 N62 [WBAGN61020**]

Copyright @ 2009 www.car388.com All rights reserved. 蜀ICP备12014226号-2 增值电信增值业务许可证:川B2-20190647 服务电话:028-87038205 87039205 87020205 川公网安备 51010502010015号 公司地址:成都市龙泉驿区经开区南二路309号 鼎峰动力港 企业办公总部基地 12栋
2025-01-18.-.V25VHTML-2025-