[返回列表.]    [免费下载畅易手机版APP ]

用户 万通 **当前提问:标志206 1.6发动机电脑针脚图

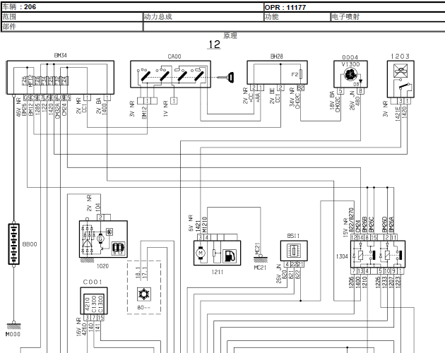
标志206 1.6发动机电脑针脚图

.尊敬的用户,欢迎你使用在线客服,标致的资料系统没有端子图,客服给您发送了发动机电路图,请您参考一下,请下载附件,如有疑问,欢迎和我们联系!206发动机电路图.

附件:7969304948617.zip


用户 万通 ***其他客服问题:
test:
  空气流量计传感器五根线跟你那里面五根线对.. 上海斯柯达斯柯达明锐09年-1.8t
  07长城H5暖风电路.. 长城H507-2.0
  06年a6L全车通信图.. A6La6L06-2.0t
  空气悬挂电路图.. 林肯领航员03-5.4[5LMFU28RX3** ]
  马自达6发动机电脑阵脚 图 30+27+30+30 .. 一汽马自达马自达604-00[00** ]
以下是东风标致相关车型的客服问题,希望对您有帮助
 东风标致206发动机线路图..东风标致206 2006年 1.6升16气门 [LDC611L396**]
 继电器位置图..东风标致308 12 1.6 [LDC953L34C**]
 发动机正时图..东风标致408 2012 nfpl [ldc943t22c**]
 自动变速器插头,电源图..东风标致308 2014 NFP [LDC953T36E**]
 全车通讯图,详细电路图。系统里的都不对,..东风标致3008 16年12月 1.6T [LDCT81247G**]
 标致3008涡轮压力电磁阀及高压油泵电磁阀电..东风标致3008 2013 1.6t [ldct8114xd**]
 我需要发动机和发动机室保险盒电路图、bsi电..东风标致408 201004 PSA RFN 10LH3X [LDC943X23A**]
 ABS总泵安装图,车身左前及线路安装图..东风标致307两厢 2011 N6A10XA3APSA [LDC931L26B**]
 标志3008。ABS 发动机电脑针脚图..东风标致3008 2014 PSARFN10LH3X [LDCT81X28E**]
 倒车雷达电路图..东风标致307 2010 1.6 [LDC931L26A**]
 车门玻璃升降电机电路图..东风标致307 2006 N6A10XA3APSA [LDC913L326**]
 你还 需要14年 标致2008电路图 和电脑ME7.4.5的..东风标致2008 2014 NFP [LDC671T23E**]

Copyright @ 2009 www.car388.com All rights reserved. 蜀ICP备12014226号-2 增值电信增值业务许可证:川B2-20190647 服务电话:028-87038205 87039205 87020205 川公网安备 51010502010015号 公司地址:成都市龙泉驿区经开区南二路309号 鼎峰动力港 企业办公总部基地 12栋
2025-01-18.-.V25VHTML-2025-