[返回列表.]    [免费下载畅易手机版APP ]

用户 徐亮 **当前提问:10年后起亚福瑞迪前雾灯电路图

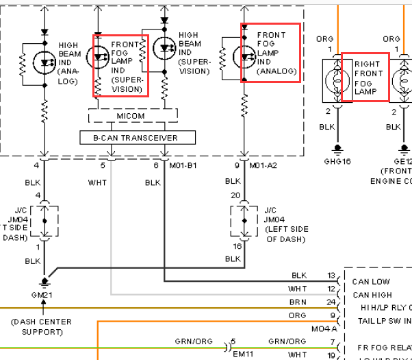
10年后起亚福瑞迪前雾灯电路图

.尊敬的用户,欢迎你使用在线客服,你的问题客服人员已为你处理完毕,请下载附件,如有疑问,欢迎和我们联系!11年起亚福瑞迪前雾灯电路.

附件:9471449324490.rar


用户 徐亮 ***其他客服问题:
test:
  三菱V93 ABS电路图.. 三菱V932011-6G72 2972[JE4NR52M30** ]
  菲亚特德特乐福斯发动机电路图.. FIAT德特乐福斯T70902012-F 1CE 0481 E[ZFA25014C2** ]
  云度π1常电12V电源分布图.. 云度π12017-单速[LLXA2A30XH** ]
  06年雷克萨斯GS300刹车灯电路图.. 雷克萨斯GS30006年-3GR0181683[JTHBG96S76** ]
  2016朗逸中控电路图.. 上海大众朗逸2016-CSR[LSVWL2188G** ]
以下是起亚相关车型的客服问题,希望对您有帮助
 前氧传感器加热电路..起亚秀尔 12 1 [LJDHAA127D**]
 喷油嘴电路图,喷油嘴模块,发动机模块位置..起亚嘉华 15年5月 G6DH [KNAMB8110G**]
 CAN线线路图 资料里面是维修手册 请帮我找..起亚霸锐 2014 G6DA [KNAKN8112F**]
 05年索兰托 手动四驱电路图 30针的 平台上面..起亚索兰托 2005 G4JS [KNAJC52216**]
 门锁锁块线路图..起亚K4 2015 G4NB [LJDTAA232F**]
 制动信号电控模块安装位置..起亚K3S 2014 G4FG [LJDSAA121E**]
 发动机控制系统..起亚索兰托 2006 G6DA [KNAJC52677**]
 14年索兰托变速箱挂档电磁阀线路图..起亚索兰托起亚索兰托 14年 G4KJ [KNAPG8132F**]
 P0748故障码引导,变速器大修手册,变速器电..起亚R10 2013 1.4 [KANDN512XD**]
 起亚K2空调部分电路图..起亚K2 15 G4FC [LJDLAA22XF**]
 进口起亚索兰托发动机电路图..起亚索兰托 2013 G4KE [KNAKU8115D**]
 10年起亚索兰托电路图..起亚索兰托 2010 G4KE [KNAKU8110A**]

Copyright @ 2009 www.car388.com All rights reserved. 蜀ICP备12014226号-2 增值电信增值业务许可证:川B2-20190647 服务电话:028-87038205 87039205 87020205 川公网安备 51010502010015号 公司地址:成都市龙泉驿区经开区南二路309号 鼎峰动力港 企业办公总部基地 12栋
2025-01-18.-.V25VHTML-2025-