[返回列表.]    [免费下载畅易手机版APP ]

用户 dfjlqc **当前提问:11年长安福特蒙迪欧空调原理图

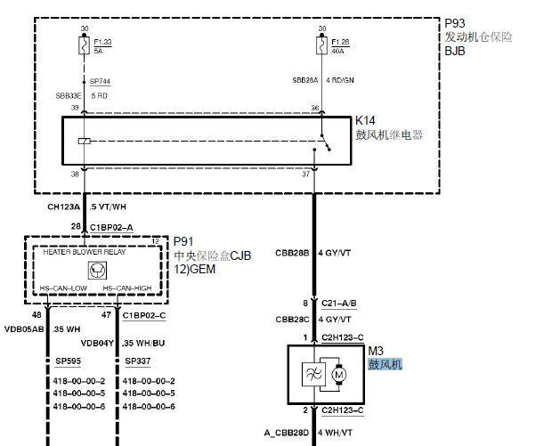
11年长安福特蒙迪欧空调原理图

.尊敬的用户,欢迎你使用在线客服,你的问题客服人员已为你处理完毕,请下载附件,如有疑问,欢迎和我们联系!.11年蒙迪欧 空调电路

附件:7603400784426.rar

..尊敬的用户,欢迎您使用在线客服,您需要的资料已更新了全系统的电路图和维修手册,请您直接进入畅易平台查询!查询方法; 国内厂家->长安福特-蒙迪欧(致胜)-2011-2013[ 线路图 ]-> 长安福特-蒙迪欧(致胜)-2011-2013[ 维修手册/诊断 ].2011年福特蒙迪欧维修手册和电路图


用户 dfjlqc ***其他客服问题:
  上海大众帕萨特领驭中控盒针脚图和线路.. 上海大众帕萨特领驭2012年03月-BNL[LSVE349F9C** ]
  11年长安福特蒙迪欧保险丝具体图.. 长安福特蒙迪欧2011-6-GTD I QO[LVSHBFDC6B** ]
  华晨中华2004款尊驰电脑板针脚图.. 华晨中华尊驰2007-4G63S4M[LSYYBBCC87** ]
  雪佛兰景程电脑版1.8 A是60针 B是94针 电脑版.. 中国通用雪佛兰2009-2HO[LSGVA54R0A** ]
  东风雪铁龙爱丽舍2006款电脑版针脚图和线路.. 东风雪铁龙爱丽舍2006-N6A 10FX3A PSA[LDC733L246** ]
  雪佛兰景程电脑版针脚图给一份.. 雪佛兰SGM7187MTA2009-11-2HO[LSGVA54ROA** ]
以下是长安福特相关车型的客服问题,希望对您有帮助
 可以帮我找到蒙迪欧的发动机正时调法吗?S..福特蒙迪欧 2012 AOBO
 发动机针脚图有没有..长安福特福克斯-两厢1.0GTDi 手动 EcoBoost 125 超能风尚型 2015 CAF372WQ1(1.0) [LVSHCAMN3G**]
 15款蒙迪欧致胜 雨刮控制电路图 及车身控制..长安福特蒙迪欧致胜 2015 CAF488WQ3 [LVSHFFAC2F**]
 汽油板,保险盒信查不到..福特蒙迪欧致胜 2007 L3 [LVSHBFAF78**]
 油泵模块针脚图..长安福特翼虎1.6GTDi 手自一体 四驱精英型 2013 GTDIQ2(1.6) [LVSHJCAB3D**]
 机油用量机油标号..长安福特锐界 PLUS2.0T 自动 EcoBoost 245 两驱精锐型5座 2021 CAF488WQB6(2.0) [LVSHFCAC6N**]
 标准燃油压力数值..长安福特福克斯-两厢1.8 手动 2011 CAF483Q0-1.8L [LVSFCAME0A**]
 10年长安福特蒙迪欧致胜发动机电脑板编程步..长安福特蒙迪欧致胜 2010 L3 [LVSHBFAF1A**]
 福特福克斯仪表针脚定义..长安福特牌福克斯 2005 CAF483Q0
 14年长安福特福克斯车身电脑针脚图..长安福特福克斯 14年 1.6
 09年福特福克斯 发动机电脑针脚定义..长安福特福克斯 09 CAF483Q
 17蒙迪欧纵向加速度传感器安装位置及电路图 ..长安福特蒙迪欧 2017-8 CAF488WQ6 [LVSHFFAC1H**]

Copyright @ 2009 www.car388.com All rights reserved. 蜀ICP备12014226号-2 增值电信增值业务许可证:川B2-20190647 服务电话:028-87038205 87039205 87020205 川公网安备 51010502010015号 公司地址:成都市龙泉驿区经开区南二路309号 鼎峰动力港 企业办公总部基地 12栋
2025-05-09.-.V28**