[返回列表.]    [免费下载畅易手机版APP ]

用户 CQACF **当前提问:变速相电路图

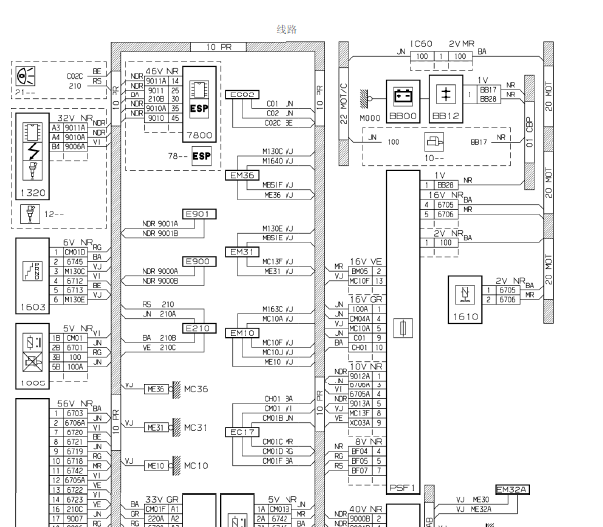
变速相电路图

.尊敬的用户,欢迎你使用在线客服,你的问题客服人员已为你处理完毕,请下载附件,如有疑问,欢迎和我们联系!07年雪铁龙毕加索 变速箱电路.

附件:9806454811126.rar

.尊敬的用户,欢迎您使用在线客服,您需要的资料已更新了全系统的电路图,请您直接进入畅易平台查询!查询方法:国内厂家 <-东风雪铁龙-毕加索(Picasso)-2006-2007[ 线路图 ] 2006-2007年东风雪铁龙-毕加索(Picasso)-电路图.


用户 CQACF ***其他客服问题:
test:
  发动电路图.. 比亚迪汽车速锐1.5 手动 豪华型2014-BYD473QE(1.5)[LGXC16CF2D** ]
  转向角传感器电路图.. 凌志ES3502006-1[JTHBJ46G47** ]
  进口现代雅科仕电路图.. 进口现代雅科仕(EQUUS)2006-G6CU[KMHGV11C67** ]
  金杯空调电路图 .. 华晨金杯2018. 4-V19 2.0排量[LSYADAAA3J** ]
  后雨刮控制电路图.. 上汽MG311年-12[32213** ]
  手刹灯电路图.. 111-1[LJ166A341D** ]
以下是雪铁龙相关车型的客服问题,希望对您有帮助
 全车玻璃升降线路图..雪铁龙雪铁龙 2011 10xp01 [ldca13r41b**]
 自动变速箱油检查孔 ..神龙汽车毕加索2.0 手自一体 豪华型天窗版 2007 PSA RFN 10LH46(2.0) [LDC838W317**]
 14年的C4L发电机电路图..雪铁龙C4L 2014 C4L
 发动机电路图..雪铁龙C2 2009 TU3AF [LDC621P209**]
 保险盒示意图资料..雪铁龙全新爱丽舍 2017 NFP [LDC6432T2K**]
 雪铁龙C5凸轮轴传感器电路图中怎么看..雪铁龙C5 10 0000 [LDCA13R49A**]
 找一下保险盒的线路图..雪铁龙 天逸 C5 AIRCROSS 2018 10UF01 5G02 1.6T [LDCC61249J**]
 11年雪铁龙世嘉维修手册..雪铁龙世嘉 2011 N6A10XA3APSA
 求2003年雪铁龙爱丽舍空调系统电路图(和富..雪铁龙爱丽舍 2003 1.6
 发动机正时资料..雪铁龙C5 2011 10FJ5P XFV PSA [LDCA13S43C**]
 保养灯归零的方法s..雪铁龙C2 2006-2011
 12年雪铁龙世嘉电动油箱盖电路图..雪铁龙世嘉 12年6月 N6A 10XA3A PSA [LDCC13L21C**]

Copyright @ 2009 www.car388.com All rights reserved. 蜀ICP备12014226号-2 增值电信增值业务许可证:川B2-20190647 服务电话:028-87038205 87039205 87020205 川公网安备 51010502010015号 公司地址:成都市龙泉驿区经开区南二路309号 鼎峰动力港 企业办公总部基地 12栋
2025-01-18.-.V25VHTML-2025-V18-11-5---2-