[返回列表.]    [免费下载畅易手机版APP ]

用户 qq291694 **当前提问:空调系统线路图中文版的 谢谢

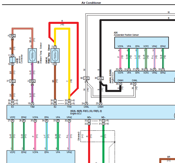
空调系统线路图中文版的 谢谢

.尊敬的用户你好,欢迎使用在线客服,抱歉电路图资料是英文版的,只有维修手册才是中文的,如需要帮助请下载“有道词典”协助翻译查看,请下载附件,如有疑问,欢迎和我们联系!07年雷克萨斯IS300空调电路图.

附件:8504485517198.rar

.尊敬的用户,欢迎您使用在线客服,您需要的资料已更新了全系统的线路图,请您直接进入畅易平台查询!查询方法;国外厂家 ->Lexus(凌志)-IS300,IS200-2008-2010->[ 线路图 ].08-10年凌志IS300/IS200电路图


用户 qq291694 ***其他客服问题:
test:
  欧宝雅特正时资料.. 欧宝ASTRA2006-Z18XE[W0LAH64327** ]
  ES300H线路图 全车CAN线线路图.. 雷克萨斯ES300h2015-2AR[JTHBW1GG3F** ]
  电脑板到油泵的电路图.. 东风日产阳光13年-1,5[LGBP12E23D** ]
  0335曲轴位置传感器1存在电气故障.该故障码的.. 奔驰C2002008-M271
  胎压系统的线路图.. 欧歌RDX13年-3.0[5J8TB3H35D** ]
  福特蒙迪欧致胜2.3免钥匙进入线路图.. 长安福特蒙迪欧致胜2008-L3[LVSHBFAF08** ]
以下是雷克萨斯相关车型的客服问题,希望对您有帮助
 2022年雷克萨斯LX600发动机正时..雷克萨斯LX600 2022 V35A [999**]
 车身高度凋整s..雷克萨斯LS400 2000-2012
 ES350波箱线路图及端子图..雷克萨斯ES350 10 2GR-FE [JTHBJ46G1A**]
 找空调电路图和维修手册..雷克萨斯ES240 2010 2AZ [JTHBW46G1A**]
 变速箱电脑端子定义和说明..雷克萨斯LS460L 06 1UR-FE [JTHGM46F07**]
 凌志lx460发动机维修手册数据..雷克萨斯LX460 06年 1UR [JTHGM46F66**]
 发动机电脑针脚定义..雷克萨斯RX350 2009 2GR-FE [JTJBK11A4B**]
 雷克萨斯RX200T ABS、转向电机等模块车身通讯..雷克萨斯RX200T 16 8AR [4U7LB24U66**]
 雷克萨斯维修手册..雷克萨斯ES250 2013款 2ARFE [JTHBJ1GGXE**]
 帮我找下混合动力系统电池单元的维修手册,..雷克萨斯RX400H 2008/02 3MZ [JTJHW31UX8**]
 JTHBW46G1C2061996电路图大灯部分..雷克萨斯es240 2012 2af [JTHBW46G1C**]
 07年雷克萨斯LS460L 自适应大灯 和动力转向电..雷克萨斯LS460 07 1UR [JTHGM46F27**]

Copyright @ 2009 www.car388.com All rights reserved. 蜀ICP备12014226号-2 增值电信增值业务许可证:川B2-20190647 服务电话:028-87038205 87039205 87020205 川公网安备 51010502010015号 公司地址:成都市龙泉驿区经开区南二路309号 鼎峰动力港 企业办公总部基地 12栋
2025-01-18.-.V25VHTML-2025-V18-11-5---2-