[返回列表.]    [免费下载畅易手机版APP ]

用户 杨文20 **当前提问:奔驰S350 ABS电路图

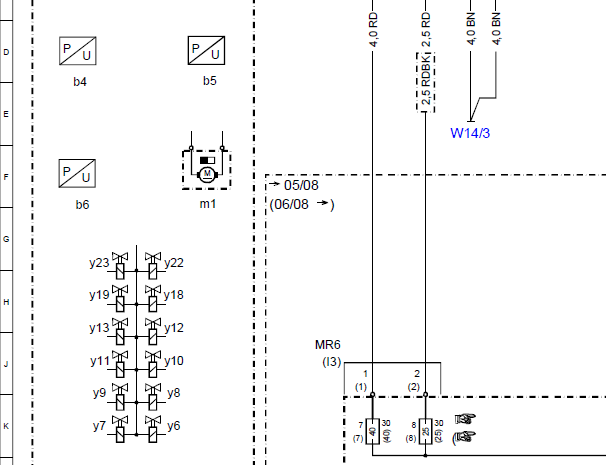
奔驰S350 ABS电路图

.尊敬的用户,欢迎你使用在线客服,你的问题客服人员已为你处理完毕,请下载附件,如有疑问,欢迎和我们联系!(由于您没有提供完整车型信息,如与您的实车对不上,请提供17位车架号以便客服再次为您查找。).08年奔驰S350  ABS电路图

附件:9051520998669.rar


用户 杨文20 ***其他客服问题:
test:
  林肯MKT后排座椅第三排座椅电路图 模块位置.. 林肯MKT2012-ECOBOOST[2LMHJ5AT4C** ]
  起亚嘉华2.7正时图.. 起亚嘉华2007-G6BA[LJDBAA1527** ]
  道奇公羊RAM1500空调线路图 与模块位置.. 公羊道奇2013年12月-HEMI
  宝马电路图,520i全车电路图,要走向,总之.. BMW520i2000----[WBADM21060** ]
以下是奔驰相关车型的客服问题,希望对您有帮助
 ABS针脚定义..奔驰GLA200 2016 270 910 [LE4TG4DB4G**]
 左滑门结构图和线路图..奔驰梅赛德斯 2018.1 274920 [LB1WG3E17J**]
 斯马特电路图..奔驰453 16 H4DA401 [WMEFJ4DA7G**]
 信号采集及促动模块SAM所在位置在哪里..奔驰r500 2008 273963 [WDCCB72E48**]
 仪表拆装方法..奔驰牌BJ7182EV小型轿车 2014 80354563 [LH4HGHB7EL**]
 奔驰E260喇叭电路图..奔驰E260 2016 274 [LE4HG3GB7G**]
 03年奔驰MB100 发动机线路图..奔驰双龙MB100 02年 4缸奔驰发动机 [KPD6612732**]
 W3/2搭铁点位置..奔驰B200 2008 1 [1**]
 奔驰ML400天窗分解图及电路图维修资料..奔驰ML400 2013 276 821 [WDCDA5GB5E**]
 空调系统管道走向图..奔驰奔驰 2017年 276824 [WDDUG6CB6J**]
 更换变速箱阀体..奔驰E300 2016 274.920
 麻烦查一下这个车火花塞扭力..奔驰汽车GLE 53 AMG 4MATIC 48V3.0T 手自一体 2020 256 930(3.0) [W1NFB6BB0M**]

Copyright @ 2009 www.car388.com All rights reserved. 蜀ICP备12014226号-2 增值电信增值业务许可证:川B2-20190647 服务电话:028-87038205 87039205 87020205 川公网安备 51010502010015号 公司地址:成都市龙泉驿区经开区南二路309号 鼎峰动力港 企业办公总部基地 12栋
2025-01-18.-.V25VHTML-2025-