[返回列表.]    [免费下载畅易手机版APP ]

用户 jingguan **当前提问:11年斯巴鲁傲虎电子手刹系统电路图

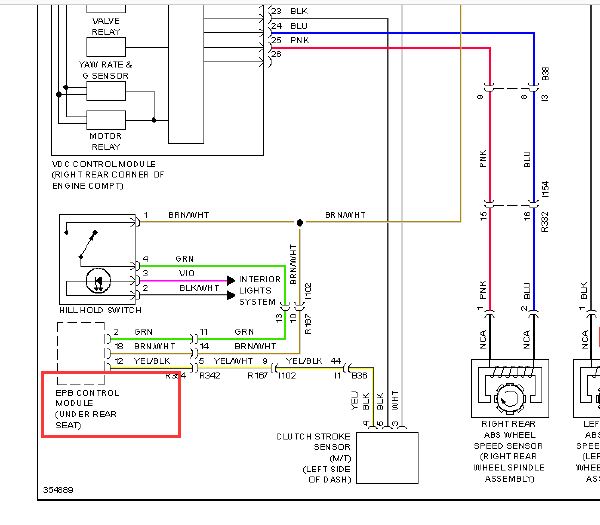
11年斯巴鲁傲虎电子手刹系统电路图

.尊敬的用户,欢迎你使用在线客服,你的问题客服人员已为你处理完毕,请下载附件,如有疑问,欢迎和我们联系!11年斯巴鲁傲虎电子驻车电路图.

附件:8398544259954.rar

有电子驻车系统的电脑针脚图吗?电路图不全面啊已评价:5星好评

.尊敬的用户你好,欢迎使用在线客服,客服查询了附近几年款的资料都只有一张图,客服给你处理了针脚资料,请下载附件 ,如有疑问,欢迎和我们联系!.

附件:2159544252879.rar

.尊敬的用户,欢迎你使用在线客服,你的问题客服人员已为你处理完毕,请下载附件,如有疑问,欢迎和我们联系!11年斯巴鲁手刹线路图.

附件:2012544255714.rar


用户 jingguan ***其他客服问题:
test:
  2016年大众夏朗驻车辅助加热控制单元端子图.. 大众夏朗2016-DED[wvwcs57n1g** ]
  07年中华尊驰防盗系统电路图.. 华晨中华尊驰07-4g63
  16年北京现代途胜车身电脑,胎压监控系统线.. 北京现代途胜tgdi2016-g4fj
  11年斯巴鲁傲虎电子驻车系统电脑针脚图.. 富士重工斯巴鲁2011-ej25[jf1br96d3b** ]
  09年克莱斯勒酷威音响系统电路图,音响主机.. 克莱斯勒酷威09-D[3D4GGH7D39** ]
  09年克莱斯勒酷威全车电路图pc版怎么下载.. 克莱斯勒酷威克莱斯勒09- D[3D4GGH7D39** ]
以下是富士重工相关车型的客服问题,希望对您有帮助
 斯巴鲁傲虎方向机控制电路..斯巴鲁斯巴鲁傲虎 2010年 EJ25 [JF1BR96D0A**]
 斯巴鲁力狮波箱电脑线路图和波箱维修手册 5..富士斯巴鲁力狮 04年 3.0L [JF1BLELU54**]
 点火线圈线束怎么区分1.2.3.4缸有彩色图片吗..刘国庆斯巴鲁 2010/05 EJ25 [JF1BR96D8A**]
 全车电路图..斯巴鲁斯巴鲁XV/GP7HC1H 2013 eb20 [jf1gp26d8d**]
 全车通讯线路..富士重工业株式会社群马制作所斯巴鲁 2016 FB25 [JF1SJ93D9G**]
 可以给我找一下 斯巴鲁 FB25 发动机的正时图..斯巴鲁斯巴鲁 2011 FB25
 斯巴鲁变速箱扭矩转换装置离合器电路图..JFISG52N5H071804斯巴鲁森林人 05 EJ20 [JFISG52N5H**]
 11年斯巴鲁傲虎发动机电路图和发动机电脑针..富士重工业株式会社BR9K91H 2011-3 EJ25 [JF1BR96D2B**]
 进气管道结构图..车尚汽修厂斯巴鲁 2012 EJ25汽油涡轮增压 [JFISH9LT5C**]
 车窗电路图 02SS..斯巴鲁XV斯巴鲁XV 2013 00
 森林人空调系统电路图..斯巴鲁斯巴鲁 09 55 [99**]
 中控防盗电路图..斯巴鲁 2012 FB25 [JF1BR98DXD**]

Copyright @ 2009 www.car388.com All rights reserved. 蜀ICP备12014226号-2 增值电信增值业务许可证:川B2-20190647 服务电话:028-87038205 87039205 87020205 川公网安备 51010502010015号 公司地址:成都市龙泉驿区经开区南二路309号 鼎峰动力港 企业办公总部基地 12栋
2025-01-18.-.V25VHTML-2025-V18-11-5---2-