[返回列表.]    [免费下载畅易手机版APP ]

用户 YHLD **当前提问:07年 华晨酷宝 电路图

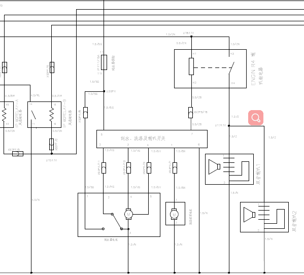
07年 华晨酷宝 电路图

.尊敬的用户,欢迎你使用在线客服,你的问题客服人员已为你处理完毕,请下载附件,如有疑问,欢迎和我们联系!酷宝全车线路图.

附件:9257551259663.zip


用户 YHLD ***其他客服问题:
test:
  发动机电脑端子图.. 五菱幼儿校车2018-LJ4K18QS[LGLAA2B20J** ]
  麻烦帮忙找一下东风悦达起亚智跑的遥控接收.. 东风悦达起亚智跑2013-G4NA2.0L[LJDJAA149D** ]
  找一下名爵6的气囊电脑和发动机的电路图,.. 名爵MG62014-1.8T[LSJW24G35E** ]
  发动机部分机械和电路.. 英菲尼迪2007G37-3.7排量
  发动机部分电路图.. 天津一汽N52011-
  10年蒙迪欧致胜变速箱阀体电路图,和阀体的.. 福特蒙迪欧致胜10-2.3L[LVSHBFAF2A** ]
以下是华晨相关车型的客服问题,希望对您有帮助
 abs泵的电路图..华晨宝马530Li2.0T 手自一体 领先型 豪华套装 2020 B48B20D(2.0) [LBVKY510XL**]
 飞轮螺丝扭力..华晨宝马523Li2.5 手自一体 典雅型 2007 N52B25BE(2.5) [LBVNU15097**]
 发动机电脑CAN通讯电路图..华晨汽车阁瑞斯 2012 1TR [LSYAAACC3C**]
 2.0L排量,帮忙查下发动机正时链条图,急用..华晨宝马X1 2013 N46B20CC汽油机
 中华H220电路图..华晨中华H220 13 BM15L [LSYYDACAXD**]
 正时..华晨宝马525Li 2014 N20B20C [LBV5S3102E**]
 13款金杯阁瑞斯主驾驶玻璃升降控制线路图..华晨金杯阁瑞斯 13款 2TR [LSY8DBCG0D**]
 华晨金杯750Li电路图,电器系统维修手册..华晨MPV 2018 DLDG15 1.5L [LSYAAAABXJ**]
 全车电路图..华晨宝马118 2018 B38A15C [LBV2Y3100K**]
 发动机针脚定义..华晨金杯海星T201.3 手动 2015 DLCG12(1.3) [LSYFJE2E1J**]
 有没有14年金杯阁瑞斯的电路图啊..华晨金杯阁瑞斯 2014 3TR
 驾驶舱继电器盒和保险丝盒的安装位置或示意..华晨阁瑞斯 2014

Copyright @ 2009 www.car388.com All rights reserved. 蜀ICP备12014226号-2 增值电信增值业务许可证:川B2-20190647 服务电话:028-87038205 87039205 87020205 川公网安备 51010502010015号 公司地址:成都市龙泉驿区经开区南二路309号 鼎峰动力港 企业办公总部基地 12栋
2025-01-18.-.V25VHTML-2025-