[返回列表.]    [免费下载畅易手机版APP ]

用户 国丰 **当前提问:长安之星发动机电路图

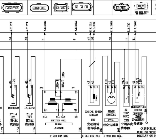
长安之星发动机电路图

.尊敬的用户,欢迎你使用在线客服,你的问题客服人员已为你处理完毕,请下载附件,如有疑问,欢迎和我们联系!长安之星JL465Q发动机线路图.

附件:9196563548383.rar

我这个发动机电脑是55针的,154电脑

.尊敬的用户,欢迎你使用在线客服,你需要的资料在《畅易汽车维修技术支持平台》是有的,请参考平台06年的资料,请直接登陆查询!查询方法:国内厂家 ->长安汽车-长安之星-2006-[ 维修手册/诊断 ]->6C发动机管理系统维修(304页)06年长安之星发动机线路图(55针).


用户 国丰 ***其他客服问题:
test:
  给发一个可以下载的2010年2.7排量道奇酷威中.. 克莱斯勒道奇酷威2010-D
  12年中华FSV 大乌龟发动机电脑电路图和防盗盒.. 中华FSV2012年4月-4A91S[LSYYBBCA3C** ]
  07年荣威750 中控锁电路图要中文的.. 荣威荣威07-2.5[LSJW16N3X7** ]
  17年捷达出租车款双燃料发动机碳罐电磁阀和.. 大众捷达出租车双燃料2017年-CUC[LFV2A5BSOH** ]
  北汽威望S50 手动挡倒车灯电路图.. 北汽威望S502018-1111[1111111111** ]
  10年别克君越原厂的倒车影像电路图.. 别克君越2010年-1111[1111111111** ]
以下是长安相关车型的客服问题,希望对您有帮助
 有正时链条安装图..长安蒙迪欧 2006 CAF488QO [LVSFBFAC66**]
 ABS通讯网络图..长安福特麦柯斯 2007-03-26 DURATEC-HE [LVSFFSAF07**]
 CX70Z中央门锁控制系统电路图和车身控制盒的..长安汽车长安cx70 16 1.6 [ls4asj2e6g**]
 尾门中控线路图,倒车灯线路图..长安福特麦克斯 2011.1 L3 [LVSHFSAF5B**]
 福特锐界前杠线速位置图,针脚图..长安福特锐界 2020 CAF488WQB6 [LVSHFCAC1L**]
 长安之星5EV全车电路图..长安之星长安之星5 16年 XTDM02
 倒车灯线路控制图..长安55 19 11111
 方向助力电路图..长安福特马自达CAF7180N38 09.03 CAF483Q0 [LVSHCAME89**]
 IPMA位置图与电路图..长安福特蒙迪欧 2015.03 CAF479WQ0 [LVSHFFAL2F**]
 12款 奔奔迷你 半自动档 离合器学习方法..长安奔奔迷你 12 472
 ABS电脑针脚定义..长安福特翼搏 2013 CAF479Q0 [LVSHKADL7D**]
 2009福克斯三厢中央门锁及电动窗电路图..长安福特福克斯CAF7180A38 2009-10 CAF483Q0 [LVSFCHAE79**]

Copyright @ 2009 www.car388.com All rights reserved. 蜀ICP备12014226号-2 增值电信增值业务许可证:川B2-20190647 服务电话:028-87038205 87039205 87020205 川公网安备 51010502010015号 公司地址:成都市龙泉驿区经开区南二路309号 鼎峰动力港 企业办公总部基地 12栋
2025-01-18.-.V25VHTML-2025-V18-11-5---2-