[返回列表.]    [免费下载畅易手机版APP ]

用户 gaofeng7 **当前提问:比亚迪G3发动机全部电路图

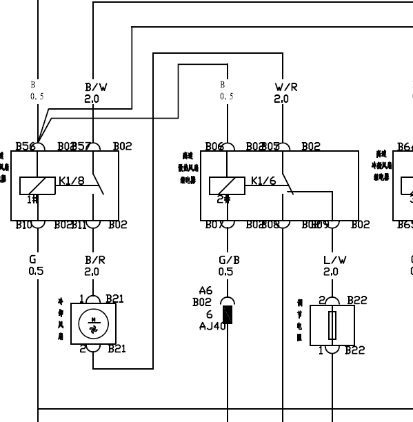
比亚迪G3发动机全部电路图

.尊敬的用户,欢迎你使用在线客服,你的问题客服人员已为你处理完毕,请下载附件,如有疑问,欢迎和我们联系!11年BYD473QE发动机线路图.

附件:5474568345597.rar


用户 gaofeng7 ***其他客服问题:
test:
  捷达变速箱分解图.. 一汽大众捷达2007、09/16-AQM[LFV3A31G77** ]
  凯迪拉克左前门锁块电路图.. 美国通用凯迪拉克200805-LP1[1G6DF57T98** ]
  雷克萨斯车內拆装,及各元件位置.. 雷克萨斯AGL25L-AWTGZC315_12-8AR[JTJBAMCA6F** ]
  沃尔沃发动机B5254T的拆装图.. 沃尔沃CAF7251A2008 -3-B5254T[LVSHEFEJ98** ]
  后门窗帘怎么拆装.. 奥迪A8L2014-
  膨胀壶和室外温度传感器的线路图.. OctavioSVW7186AJD200911-BYJ[LSVAH41Z59** ]
以下是比亚迪相关车型的客服问题,希望对您有帮助
 空调系统电路图和部件安装位置..比亚迪秦EV 2022.2 TZ180XSA [LGXCE6DB3N**]
 仪表线路图 里面有的都不一样..比亚迪速锐 2013 473QE [LGXC16CF4D**]
 16年比亚迪M6右侧滑门电路图..比亚迪比亚迪M6 2014 BYD488QA [LC0C14CG6D**]
 倒车后视镜 左前门控制ECU 右前门控制ECU ..比亚迪唐混动 2016 1 [LC0CD4C39G**]
 室内灯电路图..比亚迪驱逐舰05 2024年5月 BYD472QA [LC0C76C4XR**]
 比亚迪F3 CD机接线图 ..比亚迪F3 14 BYD473QE [LGXC16DF5E**]
 F0帮找一份启动电路图12年的 03SS..比亚迪F0 12 [ **]
 机电单元电路图..比亚迪速锐 2013 476QZA [LGXCG6CF9D**]
 比亚迪G3防盗匹配..比亚迪G3比亚迪G3 2010 4G15S [LGXC16DF7A**]
 比亚迪S 7变速箱分解图..比亚迪S 7 2015 byd487ZQA [LC0CG4CG0F**]
 16款s7湿式双离合变速箱电脑板针脚图..比亚迪s7 2016 487ZQA [LCOCG4CG1G**]
 发动机电脑电路图,针脚资料103+95..比亚迪 秦Pro 2019 BYD476ZQB [LGXCG6DF4K**]

Copyright @ 2009 www.car388.com All rights reserved. 蜀ICP备12014226号-2 增值电信增值业务许可证:川B2-20190647 服务电话:028-87038205 87039205 87020205 川公网安备 51010502010015号 公司地址:成都市龙泉驿区经开区南二路309号 鼎峰动力港 企业办公总部基地 12栋
2025-01-18.-.V25VHTML-2025-