[返回列表.]    [免费下载畅易手机版APP ]

用户 zs110 **当前提问:仪表 座椅 转向灯 电路图

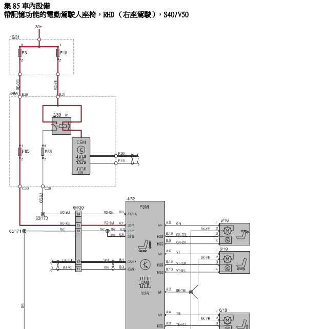
仪表 座椅 转向灯 电路图

.尊敬的用户,欢迎你使用在线客服,你需要的资料在《畅易汽车维修技术支持平台》是有的,请直接登陆查询!查询方法:国外厂家 -> Volvo(富豪/沃尔沃)-C30/S40/V50/C70-2012-[ 线路图 ] ->集35照明系統 12年S40转向灯及仪表座椅线路图.

打印PDF的给我 谢谢

.尊敬的用户,欢迎你使用在线客服,你的问题客服人员已为你处理完毕,请下载附件,如有疑问,欢迎和我们联系!12年S40座椅线路图.

附件:5206576141930.rar


用户 zs110 ***其他客服问题:
test:
  发动机电脑端端子定义图.. 日产汽车Patrol [途乐]5.6 手自一体 LE2016-VK56VD(5.6)[JN1AY25F4F** ]
  需要安全气囊电路图,系统里面12款的不对.. 比亚迪S612-4G69S4M[LGXC34CGC1** ]
  需要天窗,电动窗,音响电路图 .. 上海通用君越2.4 SIDI 手自一体 雅致版2011-LAF(2.4)[LSGGF53WXB** ]
  我需要AG4插头位置.. 丰田汽车Previa [普瑞维亚]2.4 手自一体 7座2016-2AZ-FE(2.4)[JTNGE52M5F** ]
  需要这个发动机电路图 .. 通用汽车9-32.0T 手自一体 Vector2004-B207L(2.0)[YS3FF49S64** ]
  整车电路图和网路图 仪表也要.. 丰田470005-1FZ[LFBRF67865** ]
以下是沃尔沃相关车型的客服问题,希望对您有帮助
 发动机大修所有数据和参数..沃尔沃xc60 14 b4204t7 [没有**]
 你好,我没找到这个车型..沃尔沃亚太S902.0T 手自一体 T4 智逸版 2018 B4204T44(2.0) [LVYPDALA0J**]
 沃尔沃xc60空调维修手册..沃尔沃xc60 13 汽油
  机油游位传感器线路图 爆阵传感器线路图..沃尔沃沃尔沃S60 2011年 B5204T8 [YV1FS4454B**]
 音响功放电路图..沃尔沃XC90 2017 B4204T27 [YV1LFA2D2H**]
 ABS电路图..沃尔沃S60 2017 B4154T4 [LYVFD29A4G**]
 车辆行驶,突然全车断电,电脑检测故障码为..沃尔沃S40 2010 B5244S [LVSHEFEK6A**]
 网络拓普图..沃尔沃S60 2021 B4204T31 [LVYZBAKD2M**]
 LVSHEFEJ67F352633 维修手册 维修数据..沃尔沃S40 07 2.5T [LVSHEFEJ67**]
 车身模块插座端子定义的,右大灯插座端子定..沃尔沃S80L 2012 B4204T7 [LVSHGFDC9C**]
 汽油泵,油泵电路图,发动机电路图..沃尔沃亚太S60 48V2.0T 双离合 B4 智逸豪华版 2023 B420T5(2.0) [LVYZBK8D4P**]
 沃尔沃发电机和助力泵拆卸..沃尔沃XC60 2011 B6304T [YV1DZ9959A**]

Copyright @ 2009 www.car388.com All rights reserved. 蜀ICP备12014226号-2 增值电信增值业务许可证:川B2-20190647 服务电话:028-87038205 87039205 87020205 川公网安备 51010502010015号 公司地址:成都市龙泉驿区经开区南二路309号 鼎峰动力港 企业办公总部基地 12栋
2025-01-18.-.V25VHTML-2025-V18-11-5---2-