[返回列表.]    [免费下载畅易手机版APP ]

用户 jjqixiu **当前提问:奔驰S300空调部分电路图

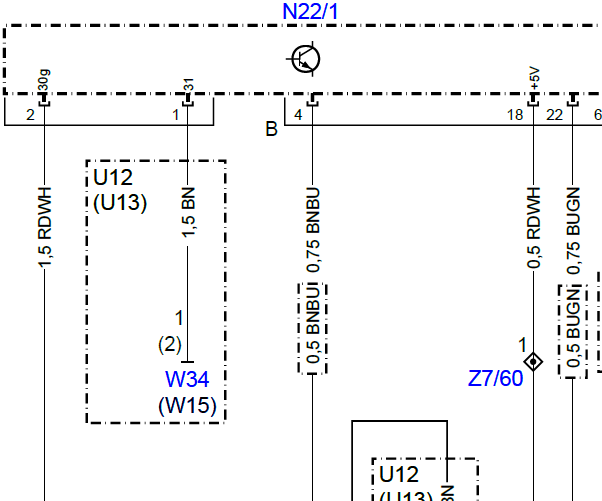
奔驰S300空调部分电路图

.尊敬的用户,欢迎你使用在线客服,你的问题客服人员已为你处理完毕,请下载附件,如有疑问,欢迎和我们联系!.2006年奔驰S300空调电路图

附件:2331613406435.rar

已评价:5星好评


用户 jjqixiu ***其他客服问题:
test:
  沃尔沃XC90正时怎么对.. 沃尔沃xc902006-B6294T[YV1C291426** ]
  燃油bang电路图及元件位置.. 奔驰R3202014年12月-276 826[wDCCB6DE9F** ]
  帅客驾驶室保险盒接线图.. 东风郑州日产帅客2010年-tu5jp4[LJNMDV1E6A** ]
  日产皮卡发动机电控系统电路图,全车电路图.. 郑州日产锐琪皮卡2014,2-ZD22TE[LJNTGU2X7E** ]
  空调线路图.. 东风悦达起亚福瑞迪2010-G4FC
  纳智捷S5倒车灯线路图,保险丝继电器位置说明.. 东风裕隆纳智捷2013-G18TE[LUS71H07DB** ]
以下是奔驰相关车型的客服问题,希望对您有帮助
 换挡模块和变速器电脑线路图..奔驰GLK300 2013 272 [LE4GG8BB8D**]
 ABS相关电路图 F109位置..奔驰204底盘GLK300 12 3.0
 无线电遥控器工作原理图,以及线路图..奔驰CLK290 2007 ........ [WDBTK56G17**]
 奔驰ML350 F58保险丝继电器电路图..奔驰ML350 06 272967 [WDCBB86E96**]
 08款450 V8动机皮带图..奔驰450 08 V8
 发动机拆装..奔驰E200 12 271 [LE4HG4JBXC**]
 发动机正时03SS..奔驰S400L奔驰S400L 2014 M276.824 [WDDUG6FB0E**]
 GL450 有关ESP的电路图 零件安装位置图 及故障..奔驰GL450 4MATIC 2011 273 923 [WDCBF7BEOB**]
 要发动机电路图..奔驰ML350 06年 272 967 [WDCBB86E16**]
 仪表拆装资料..奔驰E 200 CGI 2010 M271.860 [WDDHF4JBXA**]
 发动机电路图01SS..奔驰CLK 320 . 112.940 [WDB2083651**]
 此车保险,继电器位置示意图(启动继电器)..奔驰汽车Fortwo Coupe1.0 双离合 灰行侠特别版 2016 H4DA401(281 920)(1.0) [WMEFJ4DA6G**]

Copyright @ 2009 www.car388.com All rights reserved. 蜀ICP备12014226号-2 增值电信增值业务许可证:川B2-20190647 服务电话:028-87038205 87039205 87020205 川公网安备 51010502010015号 公司地址:成都市龙泉驿区经开区南二路309号 鼎峰动力港 企业办公总部基地 12栋
2025-01-18.-.V25VHTML-2025-