[返回列表.]    [免费下载畅易手机版APP ]

用户 飞驰 **当前提问:兰德酷路泽尾门锁电路图

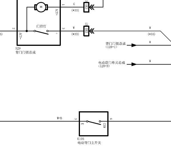
兰德酷路泽尾门锁电路图

.尊敬的用户,欢迎你使用在线客服,你的问题客服人员已为你处理完毕,请下载附件,如有疑问,欢迎和我们联系!16年兰德酷路泽尾门锁电路图.

附件:1866624482665.rar

已评价:5星好评

.尊敬的用户,欢迎您使用在线客服,您需要的资料已更新了全系统的电路图,请您直接进入畅易平台查询!查询方法:国内厂家 ->一汽丰田-兰德酷路泽(Land Cruiser)-2017[ 线路图 ].一汽丰田-兰德酷路泽(Land Cruiser)-2017[ 线路图 ]


用户 飞驰 ***其他客服问题:
test:
  左前门玻璃升降器电路图.. 凯迪拉克SRX12-LFW[3GYFN9E5XC** ]
  帮我查一下发动机节气门线路图,谢谢!.. 克莱斯勒指南者2010-2.4L B型[1J4NF4FB6A** ]
  2006款林肯领航员发动机水温传感器位置图.. 林肯领航员2006-5[5LMFU28516** ]
  左前门玻璃升降器电路图.. 广州本田雅阁2005-K24A4[LHGCM56615** ]
  英菲尼迪G37仪表盘拆装步骤说明.. 英菲尼迪G372012-VQ25[JNKDV61E5D** ]
以下是丰田相关车型的客服问题,希望对您有帮助
 空调系统维修手册..丰田陆地巡洋舰 2004 2UZ [LFBRF77854**]
 13花冠 2g12插头到仪表哪里 2k13这两个链接到..丰田花冠 2013 不留你
 请提供此车的电动侧滑门维修资料含控制方式..丰田普瑞维亚 2004 2AZ-FE [JTEGD34M80**]
 充电电路图..丰田霸道 2005 2TR [JTEBL29J55**]
 丰田酷路泽总线电路图..丰田丰田兰德酷路泽 2019年 1GRFE [JTMHU01J1K**]
 停车灯继电器位置图..丰田酷路泽 2011 1 2UZ [LFMGLK748B**]
 丰田3ZR发动机正时资料..丰田Noah 2015 3ZR
 变速箱档位开关电路图..丰田佳美 2005 2.0 [jtdbe30k50**]
 丰田塞纳保险丝位置图..丰田塞纳 2011 2GR-FE [5TDDK3DC7D**]
 空调电路图(化油器) 分前后空调,中间有冰箱...丰田4500 1991年 1FZ
 顶灯控制电路..丰田花冠 2006 1ZZ [LFMAC22CX6**]
 喷水电机继电器线路图..丰田凯美瑞 2008 2AZ

Copyright @ 2009 www.car388.com All rights reserved. 蜀ICP备12014226号-2 增值电信增值业务许可证:川B2-20190647 服务电话:028-87038205 87039205 87020205 川公网安备 51010502010015号 公司地址:成都市龙泉驿区经开区南二路309号 鼎峰动力港 企业办公总部基地 12栋
2025-01-18.-.V25VHTML-2025-