[返回列表.]    [免费下载畅易手机版APP ]

用户 pangyu **当前提问:我想让你帮忙找一下10年悍马h3倒车摄

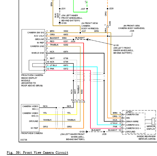
我想让你帮忙找一下10年悍马h3倒车摄影头的电路图03SS

.尊敬的用户,欢迎你使用在线客服,你的问题客服人员已为你处理完毕,请下载附件,如有疑问,欢迎和我们联系!10年悍马H3倒车摄像头电路图.

附件:5265631239262.rar


用户 pangyu ***其他客服问题:
test:
  08骊威电路图防盗和点火电源分布 01SS.. 日产骊威2008- [ ** ]
  凸轮轴位置传感器线路图 03SS.. 长安CS352014-JL478QE[LS5A3DDE6E** ]
  全车电路图SS.. S-上海大众帕萨特(PASSAT)2019- [ ** ]
  元件位置03SS.. 北京奔驰C200K09-271.950[LE4FTL8Y89** ]
  胎压控制模块位置 01SS.. 奔腾X802014-.[.** ]
  昕锐空调线路图03SS.. 斯柯达14昕锐- [ ** ]
以下是悍马相关车型的客服问题,希望对您有帮助
 10年长城H3防盗电脑针脚图..长城H3 10 BT
 该车乖客座安全带提醒灯电路..哈弗H3 2010 1 [1**]
 2005款悍马H3全车维修资料..悍马H3悍马H3 2006 L52 3.5L [5GTDN13676**]
 悍马h2 维修手册..悍马h2 08 v6
 03年悍马H2变速箱电路图,主要要档位开关的..悍马H2 2003 6.0
 悍马H2左前门控制模块电路图..悍马悍马H2 2OO6 GGH
 4驱系统电路图和位置图..悍马H3 06 LLR 3.7L [5GTDN13E57**]
 08年悍马h2发动机电脑图 跟全车通讯图..悍马悍马 08 2 [5GRGN83289**]
 给我一份2006年悍马H3的电器位置图,主要是遥..悍马H3 2006 L52 [5GTDN13656**]
 全车can通讯电路图..悍马H2 2008 2 [5GRGN83229**]
 悍马音响一套电路图..悍马H2 2004 U [5GRGN23U67**]
 悍马H3的维修手册..悍马悍马 06 3。5

Copyright @ 2009 www.car388.com All rights reserved. 蜀ICP备12014226号-2 增值电信增值业务许可证:川B2-20190647 服务电话:028-87038205 87039205 87020205 川公网安备 51010502010015号 公司地址:成都市龙泉驿区经开区南二路309号 鼎峰动力港 企业办公总部基地 12栋
2025-01-18.-.V25VHTML-2025-V18-11-5---2-