[返回列表.]    [免费下载畅易手机版APP ]

用户 wdj88658 **当前提问:麻烦找一下别克LSGBC534XJG094770的点火开

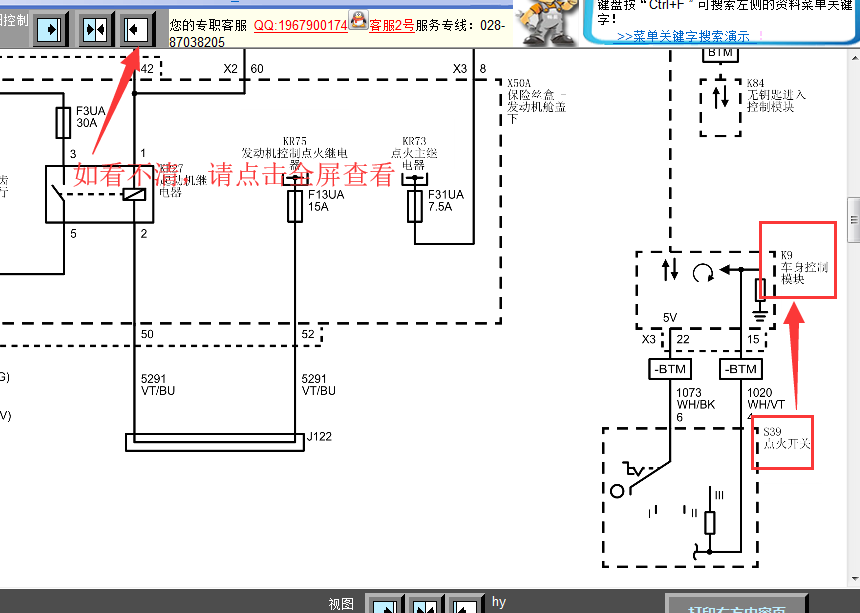
麻烦找一下别克LSGBC534XJG094770的点火开关到车身再到发动机电脑到马达的线路图

带启停但不是一键启动

.尊敬的用户,欢迎你使用在线客服,你需要的资料在《畅易汽车维修技术支持平台》是有的,请直接登陆查询!查询方法:国内厂家 ->上海别克-威朗-2018 - >[ 维修手册/诊断 /电路图 ] -> 第9章 发动机/推进系统->12伏启动和充电->示意图和布线图->起动和充电示意图18年 别克威朗点火电路图.

已评价:5星好评


用户 wdj88658 ***其他客服问题:
test:
  道奇酷威全车电脑通讯电路图 .. 克莱斯勒酷威2010-eer[3D4PG6FD0A** ]
  11年长安奔奔迷你自动变速箱维修手册和电路.. 长安奔奔迷你2011-JL466Q5[LS5A3BSD8B** ]
  19东风本田XRV 1.5L 发动机涡轮增压电路图.. 中国炫威XRV19年12月-L15BS[LVHRU1889L** ]
  给一份ABS系统电路图.. 本田CRV2009-K24Z1[LVHRE48779** ]
以下是上汽通用相关车型的客服问题,希望对您有帮助
 燃油修正系统过浓..上汽通用科鲁兹 2012 1.8
 别克GL8发动机报p2CE5压差传感器2电路故障 电..上汽通用别克GL8 2021.10 LXH [LSGUA83L6M**]
 别克陆尊发动机控制点火继电器电路图..上汽通用GL8 2009 LZC3.0 [LSGUD82C29**]
 凯迪拉克ATS全车电路图..上汽通用凯迪拉克ATS 2017 LTG [LSGAR55L5H**]
 上汽通用五菱-星光S原车车机与原车功放的连..上汽通用五菱-星光S 1.5 24年 无 [LK6ADAH92R**]
 换道辅助,车道保持,自动巡航,和AWD全时四..上汽通用XT52.0T 手自一体 28T 四驱技术型 2018 LTG(2.0) [LSGNB83L9H**]
 发动机系统不通讯的诊断流程..上汽通用威朗 Pro1.5T 无级 乐逸版 2023 LJV(1.5) [LSGER5353P**]
 网关 到 车身电脑 到OBD 通讯诊断图 和 所在车..上汽通用别克 GL8陆上公务舱 48V 2023 LXH/174KW [LSGUA84L3P**]
 宝骏530变速箱F625维修手册..上汽通用五菱宝骏530 18 LL5 [LZWADAGA3J**]
 发动机构造 和 维修数据 电路图..上汽通用五菱637x 2009 B12
 乐驰里程表线路图..上汽通用五菱乐驰 12年 链条发动机 [LZWADAGA1C**]
 发动机电脑针脚定义48+64..上汽通用五菱荣光S 2016 LSI [LZWACAGA5G**]

Copyright @ 2009 www.car388.com All rights reserved. 蜀ICP备12014226号-2 增值电信增值业务许可证:川B2-20190647 服务电话:028-87038205 87039205 87020205 川公网安备 51010502010015号 公司地址:成都市龙泉驿区经开区南二路309号 鼎峰动力港 企业办公总部基地 12栋
2025-01-17.-.V25VHTML-2025-