[返回列表.]    [免费下载畅易手机版APP ]

用户 lilu1002 **当前提问:空调电路和整车电路图

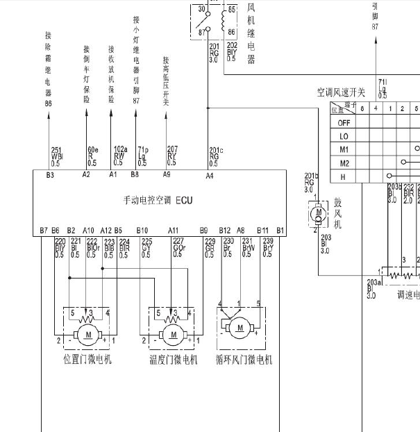
空调电路和整车电路图

.尊敬的用户,欢迎你使用在线客服,你的问题客服人员已为你处理完毕,请下载附件,如有疑问,欢迎和我们联系!13年长城C30空调线路图.

附件:9473672056214.rar


用户 lilu1002 ***其他客服问题:
test:
  克莱斯勒300c发动机大修资料.. 克莱斯勒300c2013-3.6[2c3ccapg9d** ]
  电路图.. 红旗世纪星2003-V6[LFPH4ABB93** ]
  保养归零.. 广州丰田汉兰达2015-11[111** ]
  BCM电路图 保险盒电路图.. 猛禽F1502013年3月-BOSS[1FTFW1R6XD** ]
  空调系统.. 奥迪A8L2019-CZS[WAURGEF8XK** ]
  发动机拆卸安装和进气歧管的拆卸.. 东风本田思域2010-R18A1[LVHFA1659A** ]
以下是长城相关车型的客服问题,希望对您有帮助
 全车电路图..长城哈佛H6 15年10月 GW4C20 [LGWEF6A54F**]
 麻烦帮忙查一下这个车的车窗线路图,感谢..长城汽车H6 Coupe2.0T 双离合 两驱精英型 2015 GW4C20(2.0) [LGWEF6A50G**]
 长城腾翼前后氧传感应器线路,氧传感应器到..长城牌CC7150CE00 2008 -GW4G15 [LGWEE2K56A**]
 12年长城M4ABS电脑与传感器线路图..长城M4 2013 GW4G15
 长城风骏5柴油发动机电路图和电脑针脚图,..长城风骏5 2010 2.5T [LGWCBC172B**]
 哈弗H8更换车身电脑怎么匹配,现在灯光不受..长城哈弗H8 2016年04月 GW4C20 [lgwef6a77g**]
 哈弗H3发动机GW2.5TCI正时..长城哈弗 2009 GW2.5TCI
 棚顶的遥控器钥匙天线电路图..奔驰S300L 09 3.0 [WDDNG5EB3A**]
 正时皮带安装图..长城h5 2011.04 gw4d20 [lcwffa55bb**]
 这里填写咨询内容 发动机正时图 ..长城哈弗M2 2011。3 GW4G15 [LGWEE2A44B**]
 长城哈弗H5车身中控门锁电路图..长城哈弗H5 2013年 4G63S47 [LGWFF5A53D**]
 .2020年欧版风骏5启动电路图..长城风骏5 2028 4K22D4M [123557**]

Copyright @ 2009 www.car388.com All rights reserved. 蜀ICP备12014226号-2 增值电信增值业务许可证:川B2-20190647 服务电话:028-87038205 87039205 87020205 川公网安备 51010502010015号 公司地址:成都市龙泉驿区经开区南二路309号 鼎峰动力港 企业办公总部基地 12栋
2025-01-17.-.V25VHTML-2025-