[返回列表.]    [免费下载畅易手机版APP ]

用户 pangyu **当前提问:有没有这个变数箱电脑的端子图 04SS

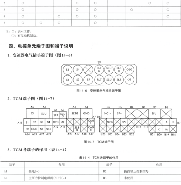
有没有这个变数箱电脑的端子图 04SS

.尊敬的用户,欢迎你使用在线客服,你的问题客服人员已为你处理完毕,请下载附件,如有疑问,欢迎和我们联系!09年荣威750变速箱端子资料.

附件:4158725178161.rar


用户 pangyu ***其他客服问题:
test:
  充电系统电路图.. 吉利缤越2021/2022-3G15TD[.** ]
  宝马3系-325LI全维修手册SS.. 宝马325LI2018/2019- [ ** ]
  星锐全车维修手册SS.. 江淮星锐2011-2017- [ ** ]
  全车维修手册ss.. 上海通用五菱征途2021/2022-.[.** ]
  能帮我找下14年朗行的倒车蜂鸣器安装位置吗.. 大众朗行2014-0
  正时03SS.. 奥迪A8L2011-3.0 TFSI CGWA[WAURGB4H8B** ]
以下是荣威相关车型的客服问题,希望对您有帮助
 刹车灯开关电路图..荣威 [LSJW26H37A**]
 荣威350车身电脑电路图..荣威350 15- 未知
 踏板行程位置传感器基本适应故障 没法加速..94款宝马750 94年 BMW
 全车电路图..华晨金杯750 16年 000 [LSYAAAAB9G**]
 荣威ei6前部充电呼吸灯电路图..荣威ei6 18 1.0
 变速器分解图..荣威CSA6452NDAN 2019 -01 15E4E [LSJA24U6XK**]
 空调控制模块位置及拆装..荣威rx8 2018.04 20L4E [LSJW84W91J**]
 荣威550转向灯电路图..荣威550 12 11111 [11**]
 有没有关于故障码U0155和P0700的故障维修手册..荣威W5 2013 1.8T [LSJW34G32D**]
 帮我找一下这个车的网络构布图..金杯750 2018 1 [LSYAAACB8J**]
 手动挡,行李箱电路图..荣威550 2010 18K4C [LSJW26H36A**]
 20年的荣威RX5空调线路图。现在的故障是没冷..荣威RX5 20年9月 15C4E

Copyright @ 2009 www.car388.com All rights reserved. 蜀ICP备12014226号-2 增值电信增值业务许可证:川B2-20190647 服务电话:028-87038205 87039205 87020205 川公网安备 51010502010015号 公司地址:成都市龙泉驿区经开区南二路309号 鼎峰动力港 企业办公总部基地 12栋
2025-01-17.-.V25VHTML-2025-